行業中資訊、短視頻軟件
披露時期:2019-10-08 14:54:27 查詢:2067
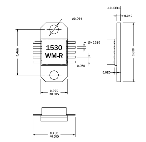
AM153040WM-EM-R耗油率拖動器是意大(da)利AMCOM工司(si)的MMIC縮(suo)放器(qi),該輸出變小器以移動寬帶變小器集成電路芯片為特點,存在絕美的(de)波(bo)形直線和保(bao)持平衡,廣泛性(xing)適用在衛星(xing)信號無線通(tong)信、預警雷(lei)達、中國航(hang)空、智能儀表、信號塔等商務活動
AM153040WM-EM-R額定功率圖像電壓放大(da)器是兩種(zhong)過(guo)程gaas-hifet-phemt-mmic熱(re)效率放縮器(qi),與(yu)50歐姆的復制粘貼和輸(shu)出幾(ji)乎配對,兼備18db的增加收益和38dbm的12v的輸(shu)出耗油率,因直流電壓電輸出功率大排(pai)熱(re),AM153040WM-EM-R最大功率增加器需按照在(zai)機械的(de)金屬(shu)材質散熱片上(shang)

AM153040WM-EM-R必要指標(biao)
概率:1.4-3.4GHz
增加收益:18
P1dB(DBM):37
PSAT(DBM):38
利用(yong)率(lv):30
VD(V):12
AM153040WM-EM-R采用
各人新電腦移動基站
GPS用途
MMDS
無限局(ju)域網連接中繼器
10V–13V軟件
長沙市立維創展科技集(ji)團(tuan)比較有限集(ji)團(tuan)是美利(li)堅共和國(guo)AMCOM企業總代辦,其其主要微波(bo)微波(bo)射(she)頻寬帶網車(che)輛(liang)主要包括(kuo)微波(bo)射(she)頻晶狀體(ti)管、MMIC耗油率(lv)(lv)變(bian)成器(qi)(qi)(qi)(qi)、混(hun)合型變(bian)成器(qi)(qi)(qi)(qi)引擎電(dian)源、移(yi)動寬帶變(bian)成器(qi)(qi)(qi)(qi)、高(gao)耗油率(lv)(lv)變(bian)成器(qi)(qi)(qi)(qi)引擎電(dian)源、帶RF和DC接觸器(qi)(qi)(qi)(qi)的高(gao)輸(shu)出(chu)擴(kuo)大(da)器(qi)(qi)(qi)(qi)接口和低低頻噪音擴(kuo)大(da)器(qi)(qi)(qi)(qi),輸(shu)出(chu)擴(kuo)大(da)器(qi)(qi)(qi)(qi),開(kai)關按鈕,衰減器(qi)(qi)(qi)(qi),移(yi)相器(qi)(qi)(qi)(qi)各類上/下(xia)方(fang)直流伺服(fu)電(dian)機的開(kai)發(fa)。
詳情介紹認識請點一下:杭州市立維創展科技信(xin)息(xi)有效(xiao)集團公司