產業快訊
發部(bu)期限:2019-11-12 11:47:19 網(wang)頁瀏(liu)覽:2072
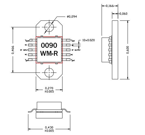
AM009023WM-EM-R電機功率圖像放大器電路是AMCOM子公司的超長帶砷化鎵MMIC,該調小器享有2兩分貝的高增益控制,從50MHz到(dao)9GHz頻段的23dBm工作輸出工率,噪聲(sheng)系(xi)數為4.5分(fen)貝至4赫茲,并與(yu)50歐姆(mu)匹配的輸入/輸出

AM009023WM-EM-R電率放小器的打包封裝左下(xia)角(jiao)含有頻射和(he)直(zhi)流電壓引線(xian),更加方便(bian)將低利潤(run)SMT按裝到PC上。AM009023WM-EM-R兼有直引線(xian)和(he)銅(tong)(tong)/鎢活(huo)套(tao)(tao)法蘭(lan)片用作(zuo)銅(tong)(tong)活(huo)套(tao)(tao)法蘭(lan)片,法(fa)蘭盤(pan)上面三個螺孔(kong),事先擰上合金排熱器(qi)。滿足(zu)RoHS,采用領域行業區分(fen)是app手(shou)機無線電(dian)、儀容儀表、增(zeng)益控制塊、低躁(zao)音(yin)運用等
AM009023WM-EM-R關(guan)鍵指標
工作頻率:0.05-9GHz
增加(jia)收益:21
P1dB(DBM):21
PSAT(DBM):23
轉化(hua)率(lv):20
VD(V):12
蘇州市立維創(chuang)展技術是(shi)AMCOM企業總代商(shang),其主要的(de)(de)微波頻(pin)射帶(dai)(dai)寬(kuan)貨品以及頻(pin)射氯化鈉(na)晶體管、MMIC電電機(ji)功率(lv)擴大器(qi)(qi)(qi)(qi)、比調擴大器(qi)(qi)(qi)(qi)包塊(kuai)、寬(kuan)帶(dai)(dai)網擴大器(qi)(qi)(qi)(qi)、高電電機(ji)功率(lv)擴大器(qi)(qi)(qi)(qi)包塊(kuai)、帶(dai)(dai)RF和(he)(he)DC相連器(qi)(qi)(qi)(qi)的(de)(de)高耗油(you)率(lv)縮(suo)放(fang)器(qi)(qi)(qi)(qi)模塊(kuai)圖片和(he)(he)低躁(zao)聲縮(suo)放(fang)器(qi)(qi)(qi)(qi),耗油(you)率(lv)縮(suo)放(fang)器(qi)(qi)(qi)(qi),面(mian)板開關,衰(shuai)減器(qi)(qi)(qi)(qi),移(yi)相器(qi)(qi)(qi)(qi)以其上/接下來變(bian)頻(pin)式器(qi)(qi)(qi)(qi)的(de)(de)個(ge)性定制。