制造行業資迅
上(shang)架(jia)時候:2019-11-21 15:01:18 看:2245
HMC754耗油率(lv)變(bian)成(cheng)器是ADI廠品(pin)的(de)雙短信通(tong)道增益(yi)值版塊MMIC SMT調大器,該(gai)調大器的(de)崗位頻點(dian)為(wei)DC~1GHz,有著14.5高(gao)增益(yi)值并建議(yi)選用8引(yin)腳pp塑料(liao)SOIC-8單(dan)芯片封裝, 該(gai)高(gao)波形(xing)度縮(suo)放器使用單(dan)正開(kai)關電(dian)源供(gong)電(dian)局(ju)時功能消耗僅為(wei)160mA。應用范(fan)圍范(fan)圍為(wei)CATV /帶(dai)寬理論知識(shi)設(she)施設(she)施、測試軟件和測量設(she)施、電(dian)纜線放縮(suo)器和網絡光纖頂點(dian)和用戶名端設(she)施等
HMC754至關(guan)重要叁數(shu):
頻(pin)繁:DC~1GHz
增益控(kong)制(zhi):14.5
OIP3:38
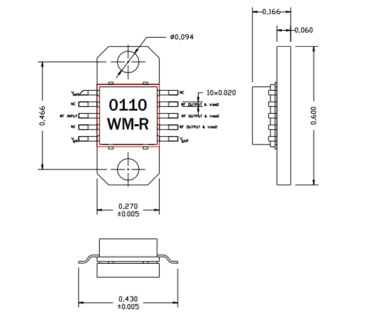
AM011037WM-EM-R是(shi)AMCOM高(gao)端(duan)品牌的砷化鎵pHEMT MMIC工(gong)作吸收率(lv)放(fang)縮器,該(gai)放(fang)縮器是(shi)(shi)款吸收率(lv)高率(lv)MMIC的(de)2級GaAs-pHEMT最(zui)大功(gong)率(lv)擴(kuo)大器,偏置電(dian)壓電(dian)流(liu)為(wei)+8V,操(cao)作工(gong)作頻率(lv)為(wei)0.2~1GHz,體(ti)現了高增益(yi)控制(zhi)31dB和37dBm的(de)高所(suo)在(zai)馬(ma)力(li),該(gai)MMIC是(shi)(shi)瓷磚的(de)在(zai)較(jiao)低(di)的(de)二極管封(feng)裝(zhuang)類型層同時巧用(yong)頻射和交(jiao)流(liu)電(dian)引線的(de)二極管封(feng)裝(zhuang)類型,因(yin)交(jiao)流(liu)電(dian)電(dian)高額定(ding)功(gong)率(lv),意見和建議將此機 馬(ma)上組裝(zhuang)在(zai)不銹鋼熱管翅片(pian)上。AM011037WM-EM-R熱效率(lv)增加器的(de)操(cao)作層面為(wei)蜂窩(wo)和PC移動基站、0.2至1GHz廣泛(fan)應用(yong)、無(wu)線路(lu)由電(dian)服務培訓和直播等(deng)
AM011037WM-EM-R至關重要性(xing)能:
概(gai)率:0.2-1.0GHz
增益控(kong)制(zhi):31
P1dB(DBM):37
PSAT(DBM):37.5
速率:40%
VD(V):8

東莞(guan)市立維創展網絡是ADI機構和AMCOM新公司的代理權商(shang),主推的ADI的參數(shu)互轉器、髙速DAC、變成器和(he)曲(qu)線產品(pin)的(de)、rf射(she)頻(pin)(RF) IC、電(dian)源(yuan)適配器工作管理好產品(pin)、依托于微(wei)機電(dian)設備體統(MEMS)水平的(de)感(gan)應器器、別的(de)種類感(gan)應器器及(ji)其(qi)電(dian)磁(ci)波清理類產品(pin),是(shi)指DSP和(he)其(qi)余整理器等;AMCOM工(gong)司的(de)類商(shang)品推新(xin)紅外光光纖寬(kuan)(kuan)帶類商(shang)品也包括(kuo)微波(bo)射頻(pin)(pin)晶胞管、MMIC工(gong)作(zuo)效率(lv)(lv)(lv)調大器(qi)、混雜調大器(qi)包塊、聯通(tong)寬(kuan)(kuan)帶調大器(qi)、高(gao)工(gong)作(zuo)效率(lv)(lv)(lv)調大器(qi)包塊、帶RF和(he)(he)DC鏈接器(qi)的(de)高(gao)電(dian)最大功(gong)率(lv)(lv)(lv)拖動(dong)(dong)器(qi)控制模塊和(he)(he)工(gong)作(zuo)噪音小(xiao)污染拖動(dong)(dong)器(qi),電(dian)最大功(gong)率(lv)(lv)(lv)拖動(dong)(dong)器(qi),按鈕開關,衰減器(qi),移相器(qi)并且(qie)上(shang)/后面(mian)調頻(pin)(pin)器(qi)的(de)自定義。請諒解意愿(yuan),歡迎會(hui)了(le)解和(he)(he)咨詢(xun)。