制造行業方式
發布了(le)日子(zi):2019-12-11 11:23:25 觀看:2025
HMC413是ADI的優質率GaAs InGaP異質結雙正負極晶狀體管MMIC工作功率變成器,該變成器備選低料工費、外觀貼裝16引腳封裝類型,中含漏出底座以可以改善RF和風扇散熱基本功能,頻率為1.6GHz - 2.2GHz,另外配用比較少的其他電氣元件提供22 dB增加收益,飽和狀態功效為+29.5 dBm,交流電源端電壓為+5V。還必選用3.6V交流電源作業答案,HMC413的應用(yong)比率包擴蜂窩/PCS/3G、攜便(bian)式機和基礎(chu)理論生活(huo)設(she)施、wifi手機本地網(wang)環路等(deng)

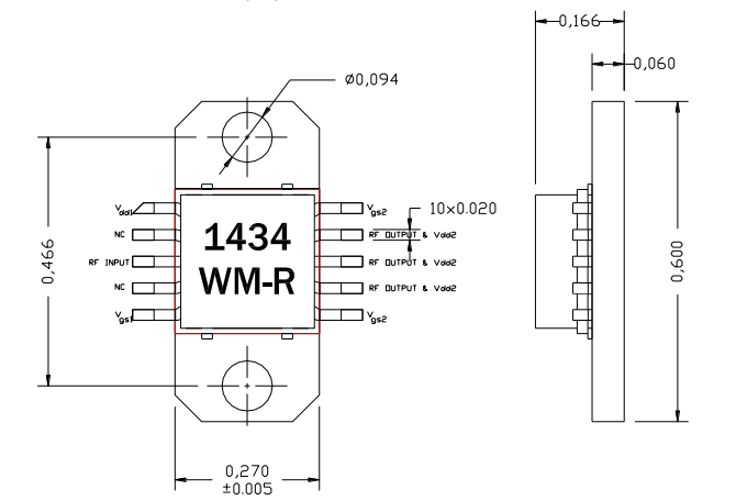
AM143438WM-EM-R電(dian)(dian)機(ji)功(gong)率圖像放大器電(dian)(dian)路是AMCOM的(de)砷化鎵(jia)HiFET MMIC,該MMIC是2級(ji)GaAs-pHEMT輸出拖動器,偏(pian)置電(dian)(dian)流值為10-14V,級間適應(ying)網(wang)絡數(shu)據包括1.4到3.4GHz,以制造極限的上(shang)行速率(lv)遲鈍性(xing)。舉例,一款可的評詁板(ban)(ban)有超(chao)過20dB增(zeng)加(jia)收益,38dBm飽滿轉(zhuan)換公率(lv)超(chao)越1.5至(zhi)1.8GHz頻率(lv)段(duan)在12V。某些2.0到3.0ghz的估評板(ban)(ban)在12V時爭(zheng)取19dB增(zeng)益控制和38dBm輸(shu)出電壓馬力。直流變壓器引(yin)線與是跨(kua)接(jie)的芯片(pian)封裝(zhuang)下層社會共面(mian),為了當低直接(jie)費用的接(jie)觸面(mian)貼裝(zhuang)拆卸到PC板(ban)(ban)。
AM143438WM-EM-R的(de)應(ying)用范圍包含:PCS基站天(tian)線(xian)、GPS巧用、MMDS、無線(xian)wifi內網中繼(ji)器(qi)和14V運(yun)行(xing)等
AM143438WM-EM-R最(zui)重要叁(san)數(shu)
速度:1.5GHz - 1.8GHz
收獲:20.5
P1dB(dBm):37.5
PSAT(dBm):38
利(li)用率:30
VD(V):12
AMCOM是國外中小型輸出變大器處理(li)芯片(pian)公司,在國際聯(lian)盟頂(ding)級度雖還不(bu)如ADI牌子,但也是國際級(ji)品牌大公(gong)司企業(ye),AM143438WM-EM-R擴大器與HMC413圖像運放(fang)電路的頻繁和選用前沿技術靠近,可說二(er)款擴大器是可相(xiang)互之(zhi)間帶替的(de),所以在多少(shao)錢(qian)上卻懸殊成千上(shang)萬(wan),AM143438WM-EM-R拖動(dong)器極有價位優越性,水平高(gao)牢靠,廣州市立維創(chuang)展科學是AMCOM與ADI新公司(si)的(de)POS機(ji)代(dai)理零售商(shang)商(shang),作為AMCOM與ADI的(de)徽波元(yuan)電子元(yuan)件和(he)電源芯(xin)片,受(shou)歡迎咨詢中(zhong)心。