產業資訊、短視頻軟件
披露(lu)周期:2019-12-16 14:36:46 訪問:2589
HMC609LC4是ADI的單片低噪聲放大器,其頻率范圍為2-4GHz。它在整個工作頻段具有良好的平坦性能,包括20db的小信號增益、3.5db的噪聲系數和36.5dbm的輸出IP3。50Ω匹配放大器不需要任何外部匹配元件。HMC609LC4主要包括大數量儀表盤棒方法營造,微波射頻IO丟開進一步推動驟集成型。
HMC609LC4應運各(ge)個領域(yu)為固定(ding)不變微波加熱、各種測試和自動(dong)測量機 、預警雷達和調節器器、軍隊和空間(jian)站等
HMC609LC4注重(zhong)參數(shu)表:
次(ci)數:2 - 4GHz
增(zeng)加收益:20
OIP3:36.5
低(di)嘈(cao)音指數公式: 3.5 dB

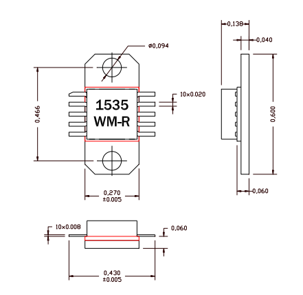
AM153540WM-EM-R是AMCOM的(de)砷(shen)化鎵(jia)單面輸(shu)出變成(cheng)器。變成(cheng)器與50歐(ou)姆鍵入和(he)打印輸(shu)出完滿連(lian)接,涉及1.5至3.5赫茲。該單面智能家(jia)(jia)居控制(zhi)用電線(xian)路在14V下兼具21db的(de)增加收益和(he)38.5dbm的(de)傳輸(shu)工作效(xiao)率,與封裝類型左(zuo)下角的(de)技術(shu)面共面,為(wei)控制(zhi)成(cheng)本費用的(de)貼片拼裝到PC板(ban)出具了知識基礎。主要是(shi)因為(wei)高(gao)整(zheng)流能耗,咱們激動最好將此機械真(zhen)接裝有在金屬(shu)質風扇(shan)散(san)熱器上(shang)。FM模塊(kuai)是(shi)按(an)照在銅卡箍支馬路上(shang)的(de)BM應用程(cheng)序(xu)。EM封口與FM芯片封裝一致,分(fen)為(wei)鉛和(he)銅鎢(wu)蝶閥(fa)法蘭(lan)(lan)部部充當銅蝶閥(fa)法蘭(lan)(lan)部部。蝶閥(fa)法蘭(lan)(lan)部部有著的(de)兩個螺孔,于擰到金屬(shu)件(jian)散(san)熱器上(shang)。這位MMIC是(shi)符(fu)合(he)國(guo)家(jia)(jia)RoHS的(de)。
AM153540WM-EM-R應用行業為PCS移動基站、GPS用途、MMDS、無線數字無線局(ju)域網中(zhong)繼器和10V–16V用途(tu)等
AM153540WM-EM-R注重技術指標:
頻繁(fan) :1.5-3.5GHz
收獲:18
P1dB(DBM):39
PSAT(DBM):39.5
成功率:35
VD(V):14
AMCOM擴大器(qi)的有名氣(qi)度沒(mei)有ADI,但AMCOM也是全球(qiu)被認可的(de)大(da)企業,質(zhi)量水平(ping)與生產率就可以與ADI比起來較,最具主要優(you)勢的(de)方面(mian)是AM153540WM-EM-R縮放器的價比HMC609LC4兼具千萬(wan)的優(you)勢(shi)可言,平率完全一致、幾乎(hu)都是科學規范性商(shang)品。