服務行業咨訊
上(shang)傳(chuan)時刻(ke):2019-12-20 15:27:36 瀏(liu)覽記錄:1916
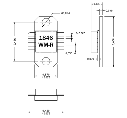
AM184635WM-EM-R是(shi)(shi)AMCOM的砷(shen)化鎵MMIC功(gong)率(lv)放大器系列的一部分。它有(you)30dB增益和35dBmP1dB,在(zai)2.2到4.2GHz頻(pin)段(duan)。這(zhe)(zhe)個(ge)MMIC是(shi)(shi)一個(ge)陶瓷封(feng)(feng)裝,射頻(pin)和直(zhi)(zhi)流(liu)引線都在(zai)較低的水平便于低成本的SMT組裝到PC板上(shang)。當直(zhi)(zhi)接(jie)安(an)(an)裝到PCB上(shang)時(shi),請(qing)參見(jian)申請(qing)說明AN700。由于高(gao)直(zhi)(zhi)流(liu)功(gong)耗,我(wo)們強烈(lie)建(jian)議(yi)安(an)(an)裝這(zhe)(zhe)些(xie)設備(bei)直(zhi)(zhi)接(jie)安(an)(an)裝在(zai)金屬(shu)散(san)熱器上(shang)。AM184635WM-FM-R是(shi)(shi)安(an)(an)裝在(zai)鍍金銅(tong)法(fa)蘭(lan)托架。EM封(feng)(feng)裝與FM封(feng)(feng)裝具(ju)有(you)相同的封(feng)(feng)裝尺寸,采用直(zhi)(zhi)引線用銅(tong)/鎢法(fa)蘭(lan)代替銅(tong)法(fa)蘭(lan)。法(fa)蘭(lan)上(shang)有(you)兩個(ge)螺孔,以便擰上(shang)金屬(shu)散(san)熱器。這(zhe)(zhe)個(ge)MMIC是(shi)(shi)符合(he)RoHS的。

AM184635WM-EM-R特點
從(cong)1.8到(dao)4.6GHz的寬帶(dai)網絡
高(gao)轉換工率,P1dB=35dBm
高增(zeng)加收益,30dB
仍然切換(huan);50歐姆插入/的輸出(chu)電阻值(zhi)
AM184635WM-EM-R用
無線網(wang)絡智(zhi)連網(wang)連接
有線(xian)本市環路
雙(shuang)項wifi手機電
AM184635WM-EM-R最重(zhong)要(yao)基本參(can)數
規律:1.8-4.6GHz
增益值:30
P1dB(DBM):35
PSAT(DBM):37
熱效率:25
VD(V):7
蘇州市立(li)維創展技(ji)術(shu)是AMCOM公(gong)司的(de)總批發商,其(qi)一般微波通信網絡(luo)帶寬(kuan)品牌屬(shu)于(yu)頻射納米線管、MMIC輸出變成(cheng)器(qi)(qi)(qi)、混(hun)合型喂養變成(cheng)器(qi)(qi)(qi)控制(zhi)器(qi)(qi)(qi)、寬(kuan)帶網絡(luo)變成(cheng)器(qi)(qi)(qi)、高輸出變成(cheng)器(qi)(qi)(qi)控制(zhi)器(qi)(qi)(qi)、帶RF和DC銜(xian)接器(qi)的高輸出瓦(wa)數(shu)放縮器(qi)傳感器(qi)和低躁音放縮器(qi),輸出瓦(wa)數(shu)放縮器(qi),旋鈕,衰減器(qi),移相器(qi)同時(shi)上/下側變頻(pin)柜器的來(lai)樣加工(gong)。