制造業信息
發(fa)布(bu)新(xin)聞精力:2019-12-24 14:09:04 訪問 :1876
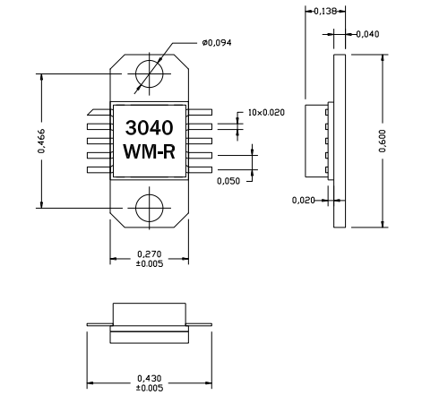
AM304031WM-EM-R是(shi)AMCOM的(de)(de)(de)砷化鎵(jia)MMIC功(gong)率(lv)放大器(qi)(qi)系(xi)列的(de)(de)(de)一(yi)部分。它有31分貝的(de)(de)(de)增益和(he)(he)31在(zai)2.6到4.8GHz頻帶上(shang)(shang)的(de)(de)(de)dBm飽和(he)(he)輸(shu)出功(gong)率(lv)。這(zhe)個(ge)(ge)(ge)MMIC是(shi)一(yi)個(ge)(ge)(ge)陶(tao)瓷封裝(zhuang),射頻和(he)(he)直(zhi)流都有在(zai)較低(di)層次(ci)的(de)(de)(de)封裝(zhuang),以促進(jin)低(di)成本的(de)(de)(de)SMT組裝(zhuang)到PC板。由于高直(zhi)流功(gong)耗,我們建議將這(zhe)些設備直(zhi)接安裝(zhuang)在(zai)金(jin)(jin)(jin)屬散(san)熱器(qi)(qi)上(shang)(shang)。AM304031WM-FM-R是(shi)AM304031WM-BM-R安裝(zhuang)在(zai)鍍(du)金(jin)(jin)(jin)銅(tong)法蘭(lan)(lan)(lan)托架上(shang)(shang)。法蘭(lan)(lan)(lan)上(shang)(shang)有兩個(ge)(ge)(ge)螺孔便(bian)于擰上(shang)(shang)金(jin)(jin)(jin)屬散(san)熱器(qi)(qi)。AM304031WM-EM-R有一(yi)個(ge)(ge)(ge)CuW法蘭(lan)(lan)(lan),是(shi)正在(zai)逐(zhu)步淘汰的(de)(de)(de)AM304031WM-FM-R。這(zhe)個(ge)(ge)(ge)MMIC是(shi)符合RoHS的(de)(de)(de)。

AM304031WM-EM-Rapp
有線車連(lian)接網絡連(lian)入(ru)
有(you)線(xian)本機(ji)環(huan)路(lu)
移動寬帶無線(xian)網絡連入(BWA)
AM304031WM-EM-R必要規格
規律(lv):2.6-4.6GHz
增益(yi)值:31
P1dB(DBM):32
PSAT(DBM):32.5
效應:25
VD(V):8
山東市立維(wei)創展(zhan)新材(cai)料(liao)技術是AMCOM裝修(xiu)公司總代里,其首要紅外(wai)光(guang)寬(kuan)帶網設備屬(shu)于微波射頻多晶體管、MMIC電(dian)(dian)電(dian)(dian)機(ji)功(gong)率變小器(qi)(qi)、混雜變小器(qi)(qi)信息(xi)傳感器(qi)(qi)、移動寬(kuan)帶變小器(qi)(qi)、高電(dian)(dian)電(dian)(dian)機(ji)功(gong)率變小器(qi)(qi)信息(xi)傳感器(qi)(qi)、帶RF和DC銜(xian)接器(qi)的高工作效率變(bian)大(da)器(qi)電源模(mo)塊和低低頻噪音(yin)變(bian)大(da)器(qi),工作效率變(bian)大(da)器(qi),控(kong)制開(kai)關,衰減(jian)器(qi),移相器(qi)各類上/接下來(lai)直流變頻空調(diao)器(qi)的私人定制(zhi)。