餐飲行業新聞資訊
分享事件:2019-12-27 17:26:00 閱讀:1769
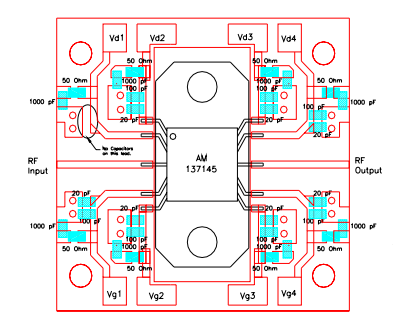
AM13714530WM-SM-R是AMCOM的砷化鎵MMIC輸出功率調大器國產的是一要素在13.75到14.5ghz頻段業務。它有可超過30噪音分貝的增加收益和30dB導出電功率。增加器被禁裝在具有rf射頻和交流電連入。機械設備的安裝使用法蘭片能助保證很好的排熱作用通到一定接地排熱器的路線。

AM13714530WM-SM-R應該用(yong)
VSAT
美國軍(jun)事
AM13714530WM-SM-R很(hen)重(zhong)要產品參數
率(lv):13.75-14.5GHz
增益控制:30
P1dB(DBM):30
PSAT(DBM):31
使用率(lv):15
VD(V):8
杭州市立維創展新材料技術是AMCOM品牌(pai)總POS機代理,其(qi)一(yi)般微波rf射(she)頻光(guang)纖寬(kuan)帶企(qi)業(ye)產品分(fen)為rf射(she)頻單晶體管、MMIC功效(xiao)(xiao)變成(cheng)器(qi)(qi)、混合式變成(cheng)器(qi)(qi)電(dian)源(yuan)版塊、網絡(luo)帶寬(kuan)變成(cheng)器(qi)(qi)、高功效(xiao)(xiao)變成(cheng)器(qi)(qi)電(dian)源(yuan)版塊、帶RF和DC連(lian)到器的高工作熱效率擴(kuo)大(da)器方案和低環(huan)境噪聲擴(kuo)大(da)器,工作熱效率擴(kuo)大(da)器,觸點開關(guan),衰減(jian)器,移(yi)相(xiang)器及上/后面交流(liu)軟啟動(dong)的高(gao)端定制。