HMC-APH596/HMC-APH596-SX二級GaAs HEMT MMIC一般工率縮放器 ADI期貨
推送時候:2018-06-29 11:18:34 查看(kan):1834
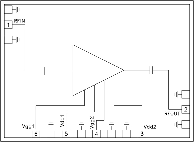
HMC-APH596是款有級GaAs HEMT MMIC中級耗油率變小器,業務的頻率區域為16至33 GHz。 HMC-APH596供給17 dB增益控制,用+5V電源模塊電壓降時具備+24 dBm導出耗油率(1 dB縮減)。 一切焊盤和心片背部都歷經Ti/Au合金化,變小器已齊全鈍化以實現了靠譜運行。
HMCAPH596 GaAs HEMT MMIC中上工作效率調小器兼容經典的集成ic貼裝習慣,或是熱解壓縮和熱超聲檢查線電焊工藝,十分的適MCM和混合法微電路板應用軟件。 此地界面顯示的其它數據庫均是集成ic在50 Ω氛圍下采用RF紅外探頭觸碰測是。
|
品牌
|
型號
|
描述
|
貨期
|
庫存
|
|
ADI
|
HMC-APH596
HMC-APH596-SX
|
MMIC中等功率放大器,16至33 GHz
|
現貨
|
323
|
使用
HMC-APH596優勢和特點
-
輸出IP3: +33 dBm
-
P1dB: +24 dBm
-
增益: 17 dB
-
電源電壓: +5V
-
50 Ω匹配輸入/輸出
-
裸片尺寸:
2.55 x 1.87 x 0.1 mm
HMC-APH596結構圖
