HMC633LC4/HMC633LC4TR動力變小器頻次5.5至17 GHz ADI外盤
上傳時光:2018-06-29 11:41:51 閱(yue)覽:1854
HMC633LC4是一種款GaAs PHEMT MMIC驅動程序調小器,進行無鉛4x4 mm表貼陶瓷圖片裝封,事情頻繁時間范圍為5.5至17 GHz。 該調小器提拱高達模型30 dB的增益控制控制、+30 dBm模擬傳輸IP3及+23 dBm的模擬傳輸額定功率(1 dB增益控制控制擠壓時),功耗測試為180 mA(+5V供電)。
HMC633LC4驅使增加器相對比較合適操作頻繁領域為5.5至17 GHz的徽波移動電app,電阻值可偏置為+5V (130 mA)以提高2 dB較低增益值并糾正PAE。 隔直增加器I/O配備50 Ω,不可靜態配備零件。
|
品牌
|
型號
|
描述
|
貨期
|
庫存
|
|
ADI
|
HMC633LC4
HMC633LC4TR
|
驅動放大器,采用SMT封裝,5.5 - 17 GHz
|
現貨
|
269
|
軟件
-
點對點通信無線wifi電
-
點對多些無線路由電和VSAT
-
混頻器LO驅動包器
HMC633LC4優勢和特點
-
增益: 30 dB
-
P1dB: +23 dBm
-
飽和功率:+23.8 dBm (24% PAE)
-
電源電壓: +5V (180 mA)
-
50 Ω匹配輸入/輸出
-
24引腳4x4mmSMT陶瓷封裝: 16mm2
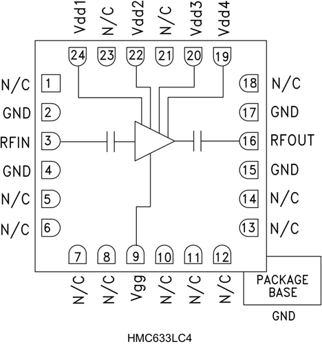
HMC633LC4結構圖
