HMC498LC4/HMC498LC4TR高動態性使用范圍電功率變成器 ADI外盤
公布的期限(xian):2018-06-29 13:47:59 查詢:2308
HMC498LC4就是一款高日常動態時間比率GaAs PHEMT MMIC中低功效拖動器,采取無引腳“無鉛”SMT芯片封裝。 該拖動器存在17至24 GHz的工做時間比率,作為22 dB收獲、+26 dBm過剩功效和23% PAE(+5V外接電源相電壓)。 HMC498LC4環境噪聲源指數公式為4 dB,輸送IP3為+36 dBm(典型性值),常用作低環境噪聲源網頁前端各種驅動器拖動器。 隔直RF I/O相匹配至50 Ω,安全實用更方便。 HMC498LC4不能自己線焊,不錯安全實用表貼制做高技術。
|
品牌
|
型號
|
描述
|
貨期
|
庫存
|
|
ADI
|
HMC498LC4
HMC498LC4TR
|
中等功率放大器,采用SMT封裝,17 - 24 GHz
|
現貨
|
269
|
HMC498LC4運用(yong)
-
點對點無線電
-
點對多點無線電和VSAT
-
測試設備和傳感器
-
軍用最終用途
HMC498LC4優勢和特點
-
輸出IP3: +36 dBm
-
飽和功率: +26 dBm (23% PAE)
-
增益: 22 dB
-
+5V(250 mA)電源
-
50 Ω匹配輸入/輸出
-
符合RoHS標準的4x4 mm SMT封裝
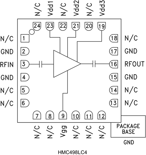
HMC498LC4結構圖
