HMC1063LP3E/HMC1063LP3ETR寬敞型I/Q MMIC混頻器 ADI現貨黃金
分享(xiang)時間(jian)間(jian)隔:2018-07-02 14:41:15 瀏覽網頁:1899
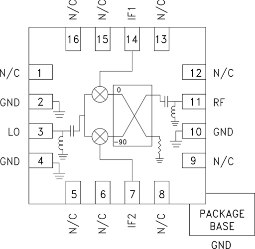
HMC1063LP3E有的是款緊促型I/Q MMIC混頻器,用到“無鉛”SMT封口,能用作鏡像文件文件控制混頻器或單向戴上定頻器。 該混頻器用到3個標準Hittite雙均衡混頻器標段和一名九十度混雜電子功率器材,均用到GaAs Schottky穩壓管的工藝創造。 中頻正交混雜電子功率器材代替會產生1,000 MHz LSB IF內容輸出。 該物品為混雜型鏡像文件文件控制混頻器和單向戴上定頻器元件的微型充當電子功率器材。 HMC1063LP3E不必線焊,不錯用到表貼創造技術。
|
品牌
|
型號
|
描述
|
貨期
|
庫存
|
|
ADI
|
HMC1063LP3E
HMC1063LP3ET
|
GaAs MMIC I/Q混頻器,24 - 28 GHz
|
現貨
|
259
|
HMC1063LP3E應用(yong)
-
點對點和點對多點無線電
-
軍用雷達、EW和ELINT
-
衛星通信
-
傳感器
HMC1063LP3E優勢和特點
-
低LO功率: 10 dBm
-
寬IF帶寬: DC - 3 GHz
-
鏡像抑制: 21 dBc
-
LO/RF隔離: 40 dB
-
高輸入IP3: 17 dBm
-
16引腳3x3 mm SMT封裝: 9 mm2
HMC1063LP3E結構圖
