HMC1113LP5E/HMC1113LP5ETR表貼裝封狹窄型下變頻柜器 ADI現貨平臺
公布的時候(hou):2018-07-03 10:16:58 查(cha)詢:2468
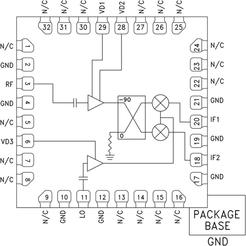
HMC1113LP5E是一種款狹窄型GaAs MMIC I/Q下定頻器,按照無鉛5 x 5 mm低壓力注塑加工金屬表貼封口。 該電子元件就能夠提供12 dB的小警報轉為收獲、1.8 dB的環境嗓聲標準值和25 dBc的映射文件減弱性能方面。 HMC1113LP5E按照LNA,后接由LO保護器拖動器驅動安裝的映射文件減弱混頻器。 該映射文件減弱混頻器令LNA后會不用再確定濾波器,并可去除映射文件工作頻率下的熱環境嗓聲。 它有I/Q混頻器內容輸出,所要間接90°混合法著型電子元件用作確定所要邊帶。 HMC1113LP5E為混合法著型映射文件減弱混頻器下定頻器零部件的小型的代替品電子元件,它不用再線焊,就能夠確定表貼打造技術工藝。
|
品牌
|
型號
|
描述
|
貨期
|
庫存
|
|
ADI
|
HMC1113LP5E
HMC1113LP5ETR
|
GaAs MMIC I/Q下變頻器,10 - 16 GHz
|
現貨
|
257
|
HMC1113LP5E應(ying)用
-
點對點和點對多點無線電
-
軍用雷達、EW和ELINT
-
衛星通信
HMC1113LP5E優勢和特點
-
準換增益控制:12 dB
-
鏡像文件調節:25 dBc
-
LO至RF屏蔽:45 dB
-
嗓聲數值:1.8 dB
-
IP3:1 dBm
-
32引腳5 x 5 mm SMT打包封裝
HMC1113LP5E結構圖
