HMC904LC5/HMC904LC5TR手機無線電下伺服器 ADI現貨黃金地區廠商
公(gong)布日期:2018-07-03 13:45:37 看:2395
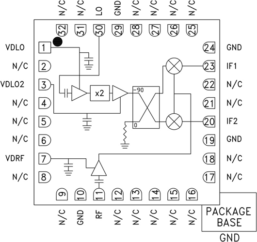
HMC904LC5有的是款緊密型GaAs MMIC I/Q下調頻器,適用符合要求RoHS規格的無引腳SMT二極管封裝。 該元器作為了12 dB的小衛星信號變為增加收益、3 dB的噪音污染常數,并在頻段條件內作為了30 dB的系統鏡像軟件治理和改善機械性能。 HMC904LC5適用LNA,后接由有源x2倍頻器控制的系統鏡像軟件治理和改善混頻器。
該鏡象可以控制混頻器隨著LNA完后暫時無法動用濾波器,并可避免鏡象幀率下的熱環境噪聲。 它具I和Q混頻器轉換,必需表面90°比調型電子元電子元件用作挑選必需邊帶。 HMC904LC5是比調型鏡象可以控制混頻器下交流abb變頻器應用程序的微型使用電子元電子元件,兼容表貼制造科技科技。
|
品牌
|
型號
|
描述
|
貨期
|
庫存
|
|
ADI
|
HMC904LC5
HMC904LC5TR
|
GaAs MMIC I/Q下變頻器,17 - 24 GHz
|
現貨
|
105
|
軟件
-
點對點通信和點對向下無線路由電
-
軍工預警雷達、EW和ELINT
HMC904LC5優勢和特點
-
轉換增益: 12 dB
-
鏡像抑制: 30 dB
-
2 LO至RF隔離: 45 dB
-
噪聲系數: 3 dB
-
輸入IP3: 0 dBm
-
32引腳5x5mm SMT封裝: 25mm2
HMC904LC5結構圖
