HMC6146BLC5A/HMC6146BLC5ATR移動電可變氣門正時增益控制上直流軟啟動 ADI現貨平臺
發布新聞準(zhun)確時間:2018-07-04 10:06:39 訪(fang)問:6780
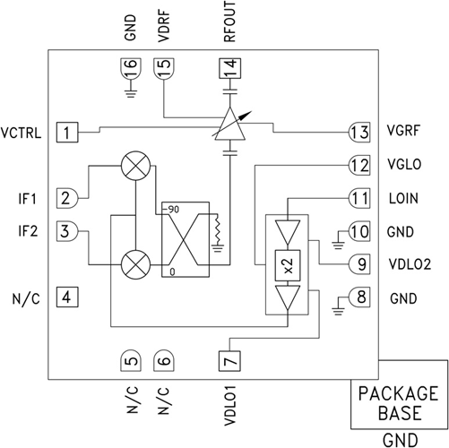
HMC6146BLC5A就是一款緊密型GaAs MMIC I/Q可變性氣門正時收獲上直流變頻空調器,用到無引腳RoHS兼容型SMT封裝形式。 該元器給出12 dB小信息切換收獲,具備有25 dBc邊帶減緩和17 db收獲掌控。 HMC 6146BLC5A用到RF可變性氣門正時收獲變小器,在其此前為一I/Q混頻器,LO由X2倍頻器動力。 給出IF1和IF2混頻器進入,與此同時可經由表面90°結合采用需提交邊帶。
I/Q混頻器拓撲結構降底了面向串擾邊帶對其進行濾波的的標準。 HMC6146BLC5A也是款更輕便、還可以用于相混單向帶著軟啟動器的車輛,幫助表貼生產先進制造技術設備,不必線焊。
|
品牌
|
型號
|
描述
|
貨期
|
庫存
|
|
ADI
|
HMC6146BLC5A
HMC6146BLC5ATR
|
GaAs MMIC I/Q上變頻器,40 - 44 GHz
|
現貨
|
198
|
HMC6146BLC5A應用
-
點對點與
點對多點無線電
-
軍用雷達、EW與ELINT
-
衛星通信
HMC6146BLC5A優勢和特點
-
轉換增益:12 dB
-
邊帶抑制:25 dBc
-
2LO至RF隔離:15 dB
-
高輸出IP3:+27 dBm
-
16引腳5x5 mm陶瓷封裝:25 mm2
HMC6146BLC5A結構圖
