HMC685LP4E/HMC685LP4ETR高情況使用范圍集合LO放小器 ADI期貨
更新時期(qi):2018-07-05 11:41:27 預覽:2117
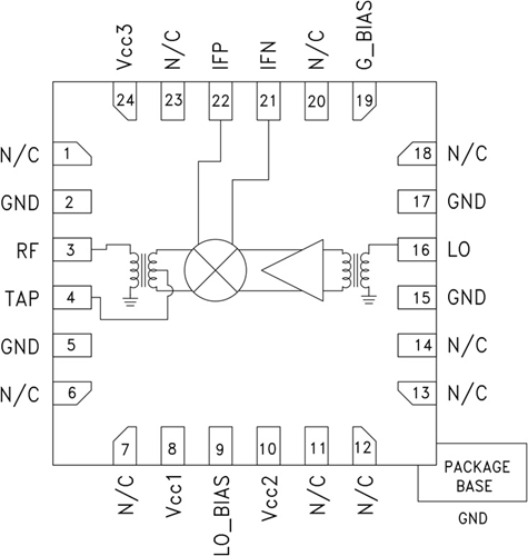
HMC685LP4(E)就是一個款高動態展示時間范圍無源MMIC混頻器,ibmsLO調小器,用到了4x4 SMT QFN封裝類型,作業幀率為1.7 - 2.2 GHz。 LOwin7驅動為0 dBm時,3G和4G GSM/CDMAapp應該領取+32 dBm的很棒插入IP3下直流變頻空調效果。 用到了1 dB (+27 dBm)壓縮成時,RF服務器端口適用各類插入信號燈電平。 裝換損耗率類型指標值8 dB。 DC至500 MHz的IF幀率相應也可以做到GSM/CDMA散發或接受到幀率規劃標準。 HMC685LP4(E)與HMC684LP4(E)引腳兼容,后面就是一個款ibmsLO調小器的700 - 1,000 MHz混頻器。
|
品牌
|
型號
|
描述
|
貨期
|
庫存
|
|
ADI
|
HMC685LP4E
HMC685LP4ETR
|
集成LO放大器的BiCMOS混頻器,1.7 - 2.2 GHz
|
現貨
|
158
|
HMC685LP4應(ying)用
-
蜂窩/3G和LTE/WiMAX/4G
-
基站和中繼器
-
GSM、CDMA和OFDM
-
發射機和接收機
HMC685LP4優勢和特點
-
高輸入IP3:+35 dBm
-
8 dB轉換損耗(0 dBm LO)
-
針對低端LO輸入優化
-
可調電源電流
-
上變頻和下變頻應用
-
24引腳4x4mm SMT封裝:16mm2
HMC685LP4結構圖
