HMC404/HMC404-SX一體化LO變小器單片機芯片 ADI現貨黃金
上架事件:2018-07-06 13:51:03 觀看(kan):2928
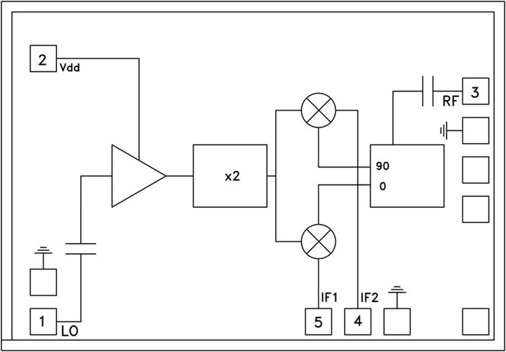
HMC404單片機IC處理芯片不是款ibmsLO變小器的次諧波(x2) MMIC映射減弱混頻器,用于作上直流變頻空調式器或下直流變頻空調式器。 該單片機IC處理芯片根據GaAs PHEMT的技術,單片機IC處理芯片建筑體綠地面積為2.31mm2。 片內90°相混電子元器件帶來漂亮的波幅和相位靜態平衡效果,映射減弱大于等于22 dB。 LO變小器所采用單偏置(+4V)雙極的設計,僅需+2 dBm的標稱安裝驅動。
|
品牌
|
型號
|
描述
|
貨期
|
庫存
|
|
ADI
|
HMC404
HMC404-SX
|
GaAs MMIC次諧波IRM混頻器芯片,26 - 33 GHz
|
現貨
|
238
|
HMC404應用(yong)
-
26至33 GHz微波無線電
-
針對點對點無線電應用的上下變頻器
HMC404優勢和特點
-
集成LO放大器: +2 dBm輸入
-
次諧波(x2) LO
-
鏡像抑制: 22 dB
-
小尺寸: 1.90 x 1.25 mm
HMC404結構圖
