服務業房產資訊
發布信息期限(xian):2020-04-28 10:15:58 查詢:1778
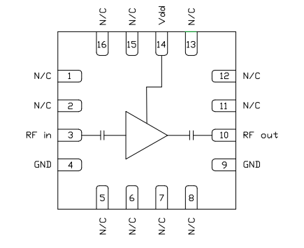
CMD264P3是(shi)一(yi)款寬(kuan)帶MMIC低(di)噪聲(sheng)放(fang)大器,采用(yong)無(wu)引(yin)線3x3毫米塑料(liao)表面貼(tie)裝封裝。CMD264P3非常適(shi)合需(xu)要小尺寸和低(di)功耗的(de)電子戰和通信系統。寬(kuan)帶設(she)備(bei)提供大于26db的(de)增(zeng)益,相(xiang)應的(de)輸出(chu)1db壓(ya)縮點為(wei)+12dbm,在10ghz時噪聲(sheng)系數為(wei)1.6db。CMD264P3采用(yong)50歐姆匹(pi)配設(she)計,無(wu)需(xu)外部(bu)直(zhi)流模塊和射頻端口(kou)匹(pi)配。

CMD264P3的特點
特低噪音(yin)因子
高增益控制(zhi)寬(kuan)帶(dai)網絡使(shi)用(yong)性能
單(dan)開關(guan)電源端電壓:63毫(hao)安時(shi)+3.0伏
無鉛(qian)RoHs兼(jian)容3x3 QFN封裝
西安市立維創展是(shi)MMIC的(de)(de)(de)(de)(de)POS機代理(li)市場產品(pin)(pin),一(yi)般市場產品(pin)(pin)MMIC物品(pin)(pin)的(de)(de)(de)(de)(de)低(di)噪(zao)音分貝(bei)(bei)污染圖(tu)像電壓(ya)調大(da)器(qi)、帶(dai)動圖(tu)像電壓(ya)調大(da)器(qi)、功效圖(tu)像電壓(ya)調大(da)器(qi)、低(di)相位(wei)噪(zao)音分貝(bei)(bei)污染圖(tu)像電壓(ya)調大(da)器(qi)、寬位(wei)置分散(san)式圖(tu)像電壓(ya)調大(da)器(qi),CUSTOM MMIC幫忙(mang)您應(ying)用相同中更好(hao)的(de)(de)(de)(de)(de)MMIC優化系(xi)統您的(de)(de)(de)(de)(de)紅外光(guang)數據鏈。CUSTOM MMIC是(shi)一(yi)個(ge)個(ge)完整(zheng)性的(de)(de)(de)(de)(de)ISO企業(ye)認證制定師和相似最優MMIC廠家(jia)直(zhi)銷(xiao)商。CUSTOM MMIC提供了快捷增(zeng)長率(lv)的(de)(de)(de)(de)(de)高能rf射頻/紅外光(guang)MMIC產品(pin)(pin)設備產品(pin)(pin)系(xi)列。
立(li)維創增(zeng)添有200只CMD264P3正品(pin)期貨,質理保護,正品(pin)進口報關,喜歡在線咨詢。