HMC265LM3/HMC265LM3TR直連無線wifi電下直流軟啟動器 ADI現貨交易
上架(jia)準確時間:2018-07-06 15:50:11 網頁瀏覽(lan):1910
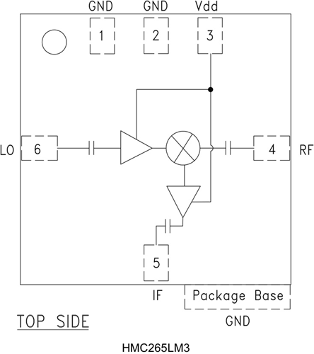
HMC265LM3就是款融合LO和IF擴大器的20 - 31 GHz表貼次諧波(x2) MMIC混頻器下伺服動力器器,所用于SMT無引腳IC芯片媒體二極管封裝類型。 在28至47 dB時,2LO至RF和IF防曬隔離霜耐腐蝕性很棒,無須增加濾波。 LO擴大器所用于單偏置(+3V至+4V)雙極來設計,僅需-4 dBm的動力。 很多數據統計均實現裝配在50 ?公測夾具設計中的非抽真空型、環氧環氧樹酯環氧樹酯抽真空LM3二極管封裝類型功率器件收集。 立維創展HMC265LM3所用于HMC265LM3即無須線焊,故而為業主作為不同的接口類型。
|
品牌
|
型號
|
描述
|
貨期
|
庫存
|
|
ADI
|
HMC265LM3
HMC265LM3TR
|
次諧波混頻器,采用SMT封裝,20 - 31 GHz
|
現貨
|
123
|
HMC265LM3應用
-
20和31 GHz微波無線電
-
點對點無線電下變頻器
HMC265LM3優勢和特點
-
集成LO放大器: -4 dBm輸入
-
次諧波(x2) LO
-
高2LO/RF隔離: >28 dB
-
LM3 SMT封裝
HMC265LM3結構圖
