HMC611LP4/HMC611LP4E電率監測多數檢波器 ADI選擇現貨交易
分享周期:2018-07-09 13:57:07 瀏(liu)覽(lan)訪問:7290
HMC611LP4(E)對數計算計算檢波器/有效控制系統將輸入相對定位RF無線信號換為為打出端成比例的DC電阻。HMC611LP4(E)運用間斷性壓縮成拓撲結構類型結構類型,提高寬輸入率空間內的不低動態性空間和換為準確度。根據輸入電率增高,間斷性拖動器不斷進到飽和狀態,所以添加精確度高的對數計算計算變量相似度高值。
若您有其它異議,請建立聯系大家立維創展,大家會盡最高積極清洗更輕松!質量。
一編㎡律檢波器輸送求和、轉變成輸出功率電流域并儲存驅動安裝LOGOUT輸送。在探測基本經營模式下,LOGOUT引腳不導通到VSET鍵入并展示 -25mV/dB的標稱對數計算斜率和18 dBm的截距(22 dBm,? ≥ 5.8 GHz)。HMC611LP4(E)也可在操控器基本經營模式下安全使用,向VSET引腳加入的外接輸出功率電流以轉化AGC或APC上報環路。
|
品牌
|
型號
|
描述
|
貨期
|
庫存
|
|
ADI
|
HMC611LP4
HMC611LP4E
|
對數檢波器控制器,采用SMT封裝,0.001 - 10.0 GHz
|
現貨
|
151
|
HMC611LP4應用軟件
-
蜂窩/PCS/3G
-
WiMAX、WiBro、WLAN、
固定無線和雷達
-
功率監控和控制電路
-
接收機信號強度指示(RSSI)
-
自動增益和功率控制
HMC611LP4優勢和特點
-
寬動態范圍:高達63 dB
-
高精度:±1 dB
54 dB范圍高達8 GHz
-
電源電壓:+5V
-
出色的溫度穩定性
-
緩沖溫度傳感器輸出
-
緊湊型4x4mm無引腳SMT封裝
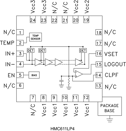
HMC611LP4結構圖
