HMC547ALC3/HMC547ALC3TR實用型寬帶網絡高底部隔離SPDT控制開關 ADI現貨平臺
分享時段:2018-07-10 13:58:18 手機瀏覽(lan):7436
HMC547ALC3是款普通型聯通寬帶網高底部防護隔離非反射面GaAs MESFET SPDT旋轉掌控電開關按鈕,通過3x3 mm無引腳陶瓷制品表貼封裝形式。該旋轉掌控電開關按鈕頻次區間為DC至28.0 GHz,在中頻段時極具低于40 dB的底部防護隔離度和超過2 dB的放入不足。聯通寬帶網寬、加快旋轉掌控電開關按鈕和主體工程型規格尺寸使代謝式SPDT適軍工用EW/ECM和考試機械應用。該旋轉掌控電開關按鈕通過-5/0V的相輔相成負掌控交流電壓思維邏輯線路圖崗位,不用偏置電源適配器。若您有不管什么肯定,請保持聯系人們立維創展,人們會盡比較大堅持謝謝您的。
|
品牌
|
型號
|
描述
|
貨期
|
庫存
|
|
ADI
|
HMC547ALC3
HMC547ALC3TR
|
GaAs MMIC SPDT非反射式開關,DC - 28.0 GHz
|
現貨
|
233
|
HMC547ALC3利(li)用
-
光纖和寬帶通信
-
微波無線電和VSAT
-
軍用無線電、雷達和ECM
-
測試儀器儀表
HMC547ALC3優勢和特點
-
高隔離度:
45 dB (10 GHz)
39 dB (20 GHz)
-
低插入損耗:
1.9 dB (10 GHz)
2.2 dB (20 GHz)
-
快速開關:6 ns
-
非反射設計
-
16引腳3x3 mm SMT陶瓷封裝:9mm2
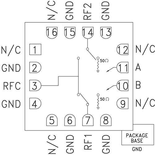
HMC547ALC3結構圖
