ADMV7710-SX/ADMV7710CHIPS融合式 E 頻段砷化鎵 (GaAs)微波通信單支融合電源電路 ADI現貨黃金
上架時間間隔(ge):2018-06-05 15:46:08 觀看:7791
ADMV7710-SX/ADMV7710CHIPS 就是一款整合式 E 頻段砷化鎵 (GaAs) 贗晶高手機轉入率轉讓 (pHEMT)、微波通迅單面整合線路 (MMIC)、中低電率放小器,存在片內的溫濕度補賞電率檢則器,工作任務上規律位置圖為 71 GHz 到 76 GHz。ADMV7710 可經由 4 V 24v電源具備 24 dB 的收獲值、28 dBm 的輸入(1 dB 收縮)包括 29 dBm 的飽滿輸入電率(20% 電率增添生產率)。ADMV7710 表現了優越的非線性度,另外開始了耐磨性網站優化,尤其是和 E 頻段通迅和高功率手機有線返程手機有線電控制系統。根據放小器設備和高收獲值,該集成電路處理處理器變成 同軸電纜以后的另外1階段網絡信號放小的抱負選。很多數據統計均由沒個端口處下一根 3 mil 寬 × 0.5 mil 厚 × 7 mil 長的鍵合帶相連接的處理處理器(建在 50 Ω 測試固件內)開始終端采集。ADMV7710 以 40 焊盤裸片(處理處理器)的風格具備,可在 ?55°C 到 +85°C 的的溫濕度位置圖內工作任務上。
|
品牌
|
型號
|
描述
|
貨期
|
庫存
|
|
ADI
|
ADMV7710-SX/ADMV7710CHIPS
|
具有功率檢測器的 71 GHz 到 76 GHz、1 W E 頻段功率放大器
|
現貨
|
56
|
ADMV7710-SX/ADMV7710CHIPS 技(ji)術應用
-
E 頻段通信系統
-
高容量無線回程無線電系統
-
測試和測量
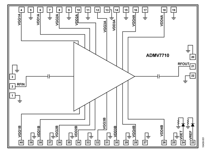
ADMV7710-SX/ADMV7710CHIPS 結構圖

ADMV7710-SX/ADMV7710CHIPS 優勢和特點
-
增益:24 dB(典型值)
-
1 dB 壓縮的輸出功率:28 dBm(典型值)
-
飽和輸出功率:29 dBm(典型值)
-
輸出 3 階交調點:34 dBm(典型值)
-
輸入回波損耗:18 dB(典型值)
-
輸出回波損耗:10 dB(典型值)
-
直流電源:4 V,800 mA
-
無需外部匹配
-
裸片尺寸:2.999 mm × 3.999 mm × 0.05 mm