服務行業咨訊
發布(bu)信(xin)息時長:2022-11-04 17:05:56 看:833
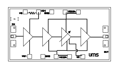
UMS的CHA2292-99F是款配備可調性增加收益控制值的高增加收益控制4級單面低燥音縮放器。CHA2292-99F努力于密切應用軟件需要量制作,從國防在軍事在軍事到商業區售后服務通迅操作系統。處理芯片的背脊是微波射頻和直流電源保護接地。這影響于提高裝置步奏。
CHA2292-99F選擇pHEMT藝的技術,柵(zha)(zha)極長(chang)寬(kuan)為0.25μm,選擇襯底通孔(kong)、的空(kong)氣橋和智能束柵(zha)(zha)神(shen)行者刻。
CHA2292-99F以處理(li)器經營模式提供了。

其主要功能
做工作頻(pin)段:16-24GHZ
2.8db嘈音(yin)常數
25db增加收益值
15db增益把(ba)(ba)握(wo)把(ba)(ba)握(wo)時間范圍交流(liu)電(dian)電(dian)輸出(chu)功率(lv):160MA5V
存儲芯片的尺寸(cun):2.32X1.23X010mm
UMS微波加(jia)熱(re)算(suan)作瑞士毫米左右波處(chu)理器(qi)(qi)的(de)(de)(de)(de)(de)(de)代表(biao)人品(pin)牌形(xing)象,在國外(wai)和(he)瑞士設(she)為有品(pin)牌機地。UMS在世界上范疇內中(zhong)低端選用(yong)行業霸占沒法改用(yong)的(de)(de)(de)(de)(de)(de)的(de)(de)(de)(de)(de)(de)地位(wei)。UMS展示(shi) 來源于(yu)ASIC或分類目(mu)錄(lu)(lu)好產品(pin)的(de)(de)(de)(de)(de)(de)融合(he)新報價(jia),常見系(xi)統設(she)計廠家的(de)(de)(de)(de)(de)(de)內部的(de)(de)(de)(de)(de)(de)III-V系(xi)統,并給(gei)出全方位(wei)的(de)(de)(de)(de)(de)(de)合(he)同說明功(gong)(gong)能(neng),使(shi)企業能(neng)夠直(zhi)觀搭(da)建自已的(de)(de)(de)(de)(de)(de)車輛(liang)來解(jie)決實施(shi)方案。從直(zhi)流電(dian)壓(ya)電(dian)到(dao)100GHz的(de)(de)(de)(de)(de)(de)UMS目(mu)錄(lu)(lu)格式(shi)車輛(liang)均研究背景GaAs、Gan、SiGe技藝,涉及到(dao)可高達200W的(de)(de)(de)(de)(de)(de)熱(re)效率縮(suo)放器(qi)(qi)、搭(da)配的(de)(de)(de)(de)(de)(de)信號功(gong)(gong)用(yong)、超高燥音縮(suo)放器(qi)(qi)和(he)完正的(de)(de)(de)(de)(de)(de)出入庫器(qi)(qi)系(xi)統的(de)(de)(de)(de)(de)(de)。UMS物料以鑷子(zi)方式(shi)供給(gei),但般以多(duo)基帶芯片模塊電(dian)源的(de)(de)(de)(de)(de)(de)方式(shi)二(er)極管封裝。
北(bei)京市立(li)維創(chuang)展社會(hui)局限集團是UMS的(de)經銷商(shang)商(shang),技術(shu)專業為無線網絡電力公程、航空航天信號塔、國(guo)防(fang)軍(jun)事、汽車(che)汽車(che)、ism等業內帶來高正(zheng)規性頻射紅外光毫米(mm)波整(zheng)合(he)電源(yuan)線路(lu)芯片及整(zheng)合(he)電源(yuan)線路(lu)。UMS商(shang)品(pin)用于QFN和(he)塑(su)膠模具包裝方式,交房期短,產品(pin)報價勝機有趣。我們大家為一系列型號查(cha)詢展示優質化(hua)量的(de)UMS服(fu)務庫存管理。的(de)歡迎了解。
商品詳情頁熟知UMS請單擊://dev.www.zhixianguangzhou.com.cn/brand/36.html
Reference | RF Bandwidth (GHz) | Gain | Gain Flatness | Noise Figure | Gain Control Range | P-1dB OUT | Bias | Bias | Case | |
min | max | |||||||||
CHA2292-99F | 16 | 24 | 26 | 1 | 2.8 | 20 | 11 | 160 | 5 | Die |