職業咨訊
正式發布(bu)用時:2022-11-22 16:58:26 打開(kai)網頁:858
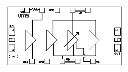
UMS的CHA2293-99F是款配備可調性收獲值的高收獲四個維度片式低燥聲縮放器。
CHA2293-99F專(zhuan)為從國(guo)防安(an)全軍事戰爭(zheng)到(dao)金融業保障、線上通(tong)信(xin)網(wang)絡的常見運用而設計構(gou)思(si)。CHA2293-99F的后背是RF和DC接地(di)保(bao)護。這(zhe)方便(bian)于SEO組裝時。
CHA2293-99F選取(qu)pHEMT工藝(yi)設(she)備技巧、0.25μm柵極(ji)厚度、橫穿基本材料的通孔(kong)、氣橋(qiao)和電子束柵極(ji)夜刻藝(yi)產(chan)出制(zhi)造廠。以存儲芯片形勢能(neng)提(ti)供。

最主要特證
工作的頻段:24-30GHz
3db噪聲源彈性系數
24db增益值(zhi)值(zhi)
增益設定(ding)設定(ding)范圍內:15db
低(di)直流變壓器電(dian)耗電(dian),160MA5V
處理器寸尺:2.32X1.23X0.10mm
UMS微波通信看做華燁亳米波處理器的(de)(de)(de)(de)(de)象征產(chan)品(pin)品(pin)牌(pai),在(zai)華燁和國外設制(zhi)有房產(chan)園區(qu)。UMS在(zai)全(quan)世(shi)界(jie)領域(yu)內高app市揚支(zhi)配權難以(yi)代用的(de)(de)(de)(de)(de)位(wei)置。UMS展示依據ASIC或總目(mu)錄商(shang)品(pin)的(de)(de)(de)(de)(de)整(zheng)合(he)報價為(wei),首要(yao)應(ying)用場景一区(qu)(qu)二区(qu)(qu)三(san)区(qu)(qu)欧美(mei)-亚洲(zhou)午夜(ye)精品(pin)-一区(qu)(qu)二区(qu)(qu)三(san)区(qu)(qu)在(zai)线播放-欧美(mei)一区(qu)(qu)二区(qu)(qu)在(zai)线室(shi)內的(de)(de)(de)(de)(de)III-V高技術,并提供(gong)了新一輪的(de)(de)(de)(de)(de)委托合(he)同的(de)(de)(de)(de)(de)服務,使(shi)的(de)(de)(de)(de)(de)客戶能否立即構建自(zi)身的(de)(de)(de)(de)(de)好產(chan)品(pin)來解(jie)決情況報告(gao)。從直流(liu)電電到100GHz的(de)(de)(de)(de)(de)UMS索(suo)引商(shang)品(pin)均對(dui)于GaAs、Gan、SiGe技巧(qiao),其中包括(kuo)萬代高達200W的(de)(de)(de)(de)(de)最大功(gong)率放縮器、相混(hun)走勢基本功(gong)能、極(ji)低(di)燥聲放縮器和刪(shan)改(gai)的(de)(de)(de)(de)(de)收(shou)取和發送(song)器設備。UMS食品(pin)以(yi)摸具結構類(lei)型(xing)出(chu)具,但(dan)基本以(yi)多存儲芯片信息模(mo)塊的(de)(de)(de)(de)(de)結構類(lei)型(xing)封口。
東莞市立維創展新材料技(ji)術是(shi)(shi)有(you)限的(de)(de)(de)公司的(de)(de)(de)是(shi)(shi)UMS的(de)(de)(de)微商制(zhi)造商,專注為手機微波(bo)通信網(wang)水利工程、航空航天基站天線、國(guo)防科技(ji)、汽(qi)年、ism等互聯網(wang)行(xing)業提高(gao)高(gao)是(shi)(shi)真的(de)(de)(de)嗎性微波(bo)通信射(she)頻微波(bo)通信毫米(mi)左右(you)波(bo)元器件及一體化三極管。UMS產品(pin)設(she)備選取QFN和合金模具包裝設(she)計,交房期短(duan),售價(jia)優(you)點獨(du)有(you)。小編為這些具體型(xing)號出具較好(hao)管理(li)量(liang)的(de)(de)(de)UMS好(hao)產品(pin)貨存(cun)。歡迎辭詳詢。
信息要了解UMS請點擊進入://dev.www.zhixianguangzhou.com.cn/brand/36.html