服務行業新聞咨詢
發部日子:2018-06-06 10:29:37 瀏覽(lan)器:2628
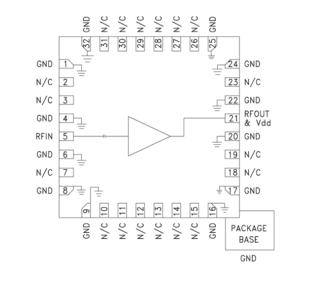
HMC907APM5E有的是款(kuan)GaAs MMIC pHEMT分(fen)布超(chao)領域(yu)(yu)式瓦數(shu)擴大(da)器,工作中頻(pin)繁超(chao)領域(yu)(yu)為0.2 GHz至(zhi)22 GHz。該(gai)自(zi)偏置瓦數(shu)擴大(da)器供應(ying)14 dB收獲、+40 dBm模(mo)(mo)擬(ni)所在IP3和(he)+28 dBm模(mo)(mo)擬(ni)所在瓦數(shu)(1 dB收獲降低),功能消耗僅(jin)350 mA(用到(dao)+10 V電源適(shi)配器)。HMC907APM5E在0.2 GHz至(zhi)22 GHz超(chao)領域(yu)(yu)內(nei)供應(ying)±0.7 dB的出眾的收獲比較平整度(du),進而非常(chang)的適(shi)當EW、ECM、預(yu)警(jing)雷達(da)和(he)測驗(yan)機器APP。HMC907APM5E擴大(da)器I/O內(nei)壁識別至(zhi)50 Ω,以便于集(ji)(ji)合到(dao)多集(ji)(ji)成塊(kuai)引(yin)擎(qing)(MCM)中,用到(dao)無引(yin)腳QFN 5x5 mm表貼(tie)芯片封裝,就不需要外識別器件。
品牌
型號
描述
貨期
庫存
ADI
HMC907APM5E
HMC907APM5ETR
GaAs pHEMT MMIC功率放大器0.2 - 22 GHz
現貨
69
HMC907APM5E應用
HMC907APM5E優勢和特點
HMC907APM5E結構圖
