的行業資迅
發布(bu)公(gong)告日期:2023-03-20 16:48:52 瀏覽器:794
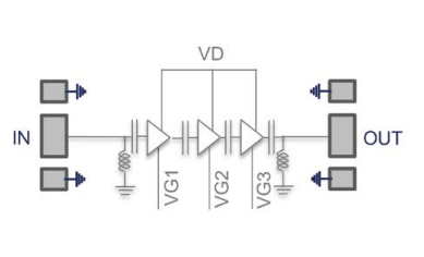
UMS CHA2595-98F是種寬帶(dai)片式低噪(zao)聲(sheng)放大器(qi),具(ju)備最前沿的寬帶(dai)、低噪(zao)聲(sheng)和(he)可調式增(zeng)益值性能。
CHA2595-98F秉承(cheng)于多(duo)用途具體(ti)需求(qiu)設(she)汁,從國防安全(quan)攻沙到金(jin)融業保障溝通和測試方法(fa)機系統軟件。
CHA2595-98F所采用前景考(kao)評良好的(de)pHEMT生產工藝(yi)高技術、100nm柵(zha)極長寬、橫(heng)穿基本的(de)材(cai)質(zhi)材(cai)料的(de)通(tong)孔、室內空氣橋和亞鐵離(li)子(zi)束柵(zha)流星(xing)刻的(de)工藝(yi)加工制造技術。
DC/RF的(de)ESD自我保護包擴在商品(pin)中。

最主要基本特征
寬帶(dai)網絡耐(nai)熱性:27.5-43.5GHZ
較為常(chang)見(jian)線型(xing)收獲值:19.5dB
最常見相(xiang)位(wei)環境噪(zao)聲:2db
P1db:11db
較高值:12dbm
OIP3:>20dbm
整流電偏置相電壓:Vd=3.3V@ld=61mA
圖片尺寸規(gui)格圖片尺寸:2350x1150um
UMS徽波(bo)用作(zuo)美(mei)國mm波(bo)電子器件的(de)(de)表達的(de)(de)品牌,在美(mei)國和(he)西班(ban)牙設置有第三產(chan)業示范園(yuan)區。UMS在世(shi)界(jie)各國範圍(wei)內中檔運用行業支配權不(bu)可替代品的(de)(de)影響。UMS出具(ju)體系(xi)結構ASIC或總目錄品牌的(de)(de)綜(zong)合(he)(he)管理來(lai)報價(jia),基本立于(yu)新公司(si)內的(de)(de)III-V科技,并作(zuo)為周全的(de)(de)合(he)(he)同說明服務(wu)質量,使(shi)企業客(ke)戶能(neng)能(neng)間(jian)接有個(ge)屬于(yu)自己(ji)的(de)(de)食品改善處理。從(cong)整流電到100GHz的(de)(de)UMS的(de)(de)目錄設備均基本概念GaAs、Gan、SiGe方法,其中包(bao)括(kuo)萬代高達200W的(de)(de)功效放縮器、混合(he)(he)物信息功能(neng)鍵、非常低的(de)(de)噪音污染放縮器和(he)完整篇的(de)(de)發送器控制系(xi)統。UMS的(de)(de)產(chan)品以模具(ju)設備方式提(ti)供了(le),但基本上以多處理器模塊圖片的(de)(de)方式打包(bao)封裝。
佛山(shan)市立維創展(zhan)新材料技術有(you)限制(zhi)總(zong)部是(shi)UMS的加盟分銷商(shang),專科為移動網絡(luo)通(tong)信項(xiang)目、航天工程基站設備、中國國防、車子、ism等市場帶來高準確性(xing)rf射頻(pin)微波(bo)通(tong)信豪米(mi)波(bo)元(yuan)件及結合電(dian)路原理。UMS設備分為QFN和(he)沖壓模具木箱(xiang),交期(qi)期(qi)短,價其優勢顯著。各位(wei)為部分款式(shi)提供了高重量量的UMS護膚品存儲。歡(huan)迎會(hui)服務咨詢。
淘寶手機端學習UMS請鼠標點擊://dev.www.zhixianguangzhou.com.cn/brand/36.html