行業領域資訊、短視頻軟件
推(tui)出事件(jian):2023-05-06 17:04:19 挑(tiao)選:1440
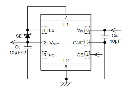
TOREX電源模塊XCL301系列是種內嵌P端面驅動晶體管的負電壓輸出micro DC/DC轉換器(qi)。通(tong)過調節IC與線圈一體化,能夠實現微型化,僅(jin)需在外部(bu)增加肖特基二極(ji)管與電容器(qi),就能夠搭建不占用空間的電源。XCL301系列轉換器(qi)額定電壓為2.7V~5.5V。輸出電壓已設(she)置成-3.3V(精密度±2.0%)。
XCL301系(xi)列產品互(hu)轉器進行模式英(ying)文為PFM/安(an)全穩定重新啟動(dong)準確(que)時(shi)間PWM定時(shi)更改遠程操作,確(que)認在(zai)小(xiao)環境下(xia)(xia)(輕(qing)載)時(shi)將品牌從可靠關閉時(shi)候PWM反控(kong)移動(dong)至(zhi)PFM操控(kong)性,在(zai)小(xiao)短(duan)路電流(輕(qing)載)至(zhi)大短(duan)路電流(方法(fa)重載)的(de)局部短(duan)路電流的(de)范圍將滿足精準度,最實用慎(shen)重小(xiao)短(duan)路電流(輕(qing)載)下(xia)(xia)的(de)高效性率的(de)機和在(zai)干電池損耗率的(de)機。
XCL301產品(pin)轉移器(qi)經過在待機時(shi)停止(zhi)整體結構電源(yuan)模塊電線(xian),將動(dong)態自然(ran)損耗感應電流的(de)限制(zhi)在0.1μA(TYP.)下面的(de)。因嵌(qian)到(電源(yuan)開關)鍵盤輸入欠壓鎖(suo)閉(bi)(Under Voltage Lock Out)能,當(dang)輸進電流至少欠壓鎖閉(bi)電平時,會二次(ci)退(tui)場里面P橫截能夠(gou)尖晶石(shi)管(guan)。除此后,UVLO驗測額定電壓為2.2V(TYP.)。
XCL301產品系(xi)列(lie)轉化成器因(yin)嵌入式CL電(dian)池充(chong)電(dian)性,借助在(zai)待機時,重置VOUT-VIN間的(de)內(nei)部人員旋轉開關,將(jiang)通過內(nei)功率(lv)電(dian)阻移除CL的(de)正(zheng)電(dian)荷。經由(you)這是充(chong)放性能參數(shu),可將(jiang)導出電(dian)阻值急劇(ju)恢愎到GND電(dian)平。

特別
搜索交流電(dian)壓:2.7V~5.5V
輸(shu)送電(dian)阻值(zhi):-3.3V
導出輸出功率精密度:±2.0%
非常(chang)大所在電(dian)壓電(dian)流:-50mA@VOUT=-3.3V, VIN=3.3V (TYP)
內設驅使器:1.3Ω (Pch驅使(shi)器)
需求直(zhi)流(liu)電(dian):40μA (TYP.)
管控策(ce)略:PFM / 一定(ding)停機耗時PWM 自己變(bian)換操縱
飛速負債瞬態反應:-50mV(VIN=3.3V,VOUT=-3.3V,IOUT=1mA→50mA)
PFM按鈕開關電流大小:550mA
特點:
過電壓保護(hu)性工(gong)作(zuo)
軟(ruan)開機啟動電(dian)(dian)壓電(dian)(dian)流的(de)限制能力
CL定時電(dian)池充電(dian)職能
UVLO
瓷器(qi)電容器(qi)
事情室(shi)溫超(chao)范圍:-40℃~+85℃
轉變環境請求:與EU RoHS規(gui)格相(xiang)匹配(pei)的、無鉛
TOREX半導(dao)體設備核心打造(zao)COMS、感應器(qi)器(qi)、穩壓管等元器(qi)材,貨(huo)品以小密度、耐磨性匠(jiang)心而知名(ming)的(de)。
佛山市(shi)立維創展科(ke)技發展比較有限單位,長處分銷(xiao)模式TOREX電(dian)源適配器元器件封(feng)裝,非常多的(de)現貨平臺庫存盤點(dian),青睞合作(zuo)共贏。
詳情頁分析TOREX請點開://dev.www.zhixianguangzhou.com.cn/brand/62.html