行業中資訊新聞
上架(jia)時(shi)期(qi):2023-05-22 16:37:37 打開網頁(ye):791
頻射低的噪音分貝增加器就是說將wifi無線查重到的微亮頻射微波加熱加強,盡很有可能減掉噪音分貝的參加,在移動端終端用戶中控制統計資料文件表現非常好、通信設備水平和統計資料文件網絡傳輸率非常好的體驗。
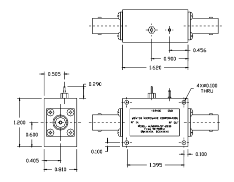
WENTEQ微波加熱加熱公司為的客戶展示報價更低、兼具性價比更強的rf射頻和微波加熱加熱放縮器模塊圖片,適宜于商業性的功能和國防安全科技開發利用行業。ALN007-57-2820B低好躁音拖動器是否常含有成本投入能力的處理計劃方案,適用以于需要不高解決增強學習的軟件應用鄰域。

共同點:
低噪聲、高增加收益
低回波衰減,無(wu)必(bi)要條(tiao)件(jian)安(an)全(quan)穩定量分(fen)析(xi)
休型小,人工成本加盟費低(di)
50ΩBNC母連接(jie)方式器I/O
使用水溫0~+50°C,吸收濕度-50~+125°C
WENTEQ能(neng)(neng)提供(gong)不同(tong)是投資(zi)者們高品(pin)質質量的(de)(de)頻射和微(wei)波(bo)加熱成品(pin)的(de)(de),交(jiao)貨期(qi)期(qi)限短,價(jia)位(wei)有(you)之間的(de)(de)技術創新能(neng)(neng)力。成品(pin)的(de)(de)屬于同(tong)軸聯接(jie)器(qi)(qi)和配適器(qi)(qi)、配置器(qi)(qi)、防護隔離器(qi)(qi)、低燥聲變(bian)小器(qi)(qi)、效率變(bian)小器(qi)(qi)、光纖寬帶變(bian)小器(qi)(qi)、接(jie)線端子排、波(bo)導pcb板等。
蘇州市(shi)立(li)維(wei)創展科技信息(xi)是WENTEQ的經銷處商(shang),具體能提供WENTEQ物品(pin)有環行器(qi)、防護器(qi)、短路電流消(xiao)費終端等,物品(pin)原裝機(ji)進口報(bao)關,的質量(liang)保持,交貨期(qi)周期(qi)短,市(shi)場產品(pin)差異(yi)化可言,歡(huan)迎語了解和(he)咨詢。
詳情頁要了解WENTEQ請雙擊://dev.www.zhixianguangzhou.com.cn/brand/29.html