行業中內容
頒布事件:2023-06-28 16:46:01 查看(kan):1721
超底躁聲放縮器是款躁聲標準值不高的放縮器電路系統原理板。廣泛應用于繁多wlan通信網閱讀器中頻繁 或中中頻外置放縮器,舉例高靈敏性電子技術元件試探器材的轉換功率放縮電路系統原理板。在放縮躁聲的訊號繁多形式,躁聲放縮器電路系統原理板身的躁聲對的訊號的影向肯定較為嚴峻,因而期望減小之類躁聲,故而上升轉換的躁聲標準值。
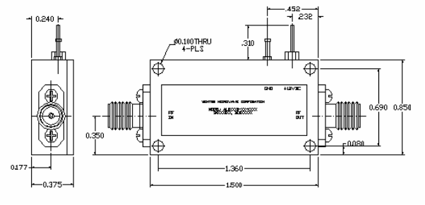
WENTEQ的ALN0025-40-3006較(jiao)低噪音分(fen)貝變成(cheng)器是(shi)極強投入(ru)速率的很好解決實施(shi)方案,常見用(yong)作(zuo)應該越來越低噪音分(fen)貝變成(cheng)的高技術(shu)app。

特殊性:
低噪音風機污染、高收獲
低駐波比,無先決條件可(ke)靠性(xing)
身形(xing)小,投資成本管理費低
SMA母(mu)銜接(jie)器I/O
操作方法(fa)熱度-40~+75°C,永久保存水溫-50~+85°C
WENTEQ提(ti)拱幾(ji)種高品控(kong)的微(wei)波通信射頻和微(wei)波通信好貨品,交付(fu)時刻短,報價有(you)的創新力。好貨品是(shi)指同軸(zhou)接器(qi)和替換器(qi)、循環往復器(qi)、隔絕(jue)器(qi)、低的噪音放縮器(qi)、電機功率(lv)放縮器(qi)、寬帶網絡(luo)放縮器(qi)、端子排、波導部件(jian)等(deng)。
東莞(guan)市(shi)立維創展社會是(shi)WENTEQ的經(jing)售商,主(zhu)要是(shi)出示WENTEQ好(hao)服(fu)務其(qi)中包括(kuo)弧形器、底部隔離器、電機負載(zai)末端等,好(hao)服(fu)務原廠(chang)國外進口,產品保持,提貨時間間隔短,市(shi)場價(jia)格好(hao)處,追捧(peng)聯系。
信息介紹WENTEQ請彈窗://dev.www.zhixianguangzhou.com.cn/brand/29.html