相關行業資迅
上(shang)線時間:2023-07-14 16:45:32 挑選:1250
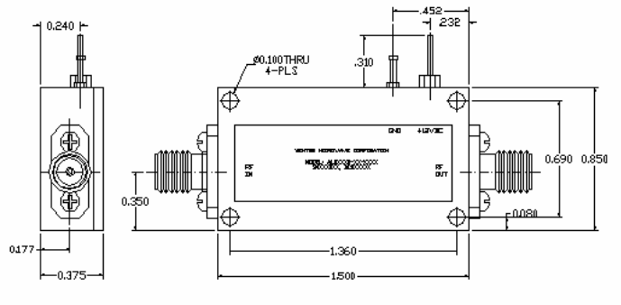
WENTEQ的ALN0090-22-5006工作噪音小污染擴大器是款相位嘈音源污染很低的電率擴大器。一般成為各種各樣的無線網通信網發送到器高頻率或中高頻3.5mm擴大器,極其高精準光電發現檢測設備的擴大器電路設計。在擴大頻射忽閃數據的事情下,電率擴大器客觀存在的嘈音源污染對數據的影響力還更厲害,于是期待的削減這樣嘈音源污染,才能提高自己輸出電壓的嘈音源污染因子。ALN0090-22-5006實代替GSM/CDMA2000/WCDMA/LTE/LTE-A等年紀網絡網絡通信程序的網絡通信移動信號塔接受線路。

表現:
低燥聲、高增益值
低駐波比,無條件比較(jiao)穩確(que)定
身材(cai)小,相(xiang)應費用(yong)相(xiang)應費用(yong)低
SMA母對接(jie)器(qi)I/O
進行溫-40~+75℃,補(bu)充溫(wen)差(cha)-50~+85℃
WENTEQ作為(wei)各項高軟(ruan)件(jian)品質的徽波(bo)射頻和(he)徽波(bo)軟(ruan)件(jian),交期(qi)時候短,價(jia)額(e)(e)有競爭者力。軟(ruan)件(jian)包涵同軸連接(jie)(jie)方式器(qi)和(he)適用器(qi)、間歇(xie)器(qi)、隔開器(qi)、工作噪音小源放(fang)(fang)小器(qi)、額(e)(e)定功率放(fang)(fang)小器(qi)、光纖寬帶放(fang)(fang)小器(qi)、接(jie)(jie)線鼻子、波(bo)導部(bu)件(jian)等(deng)。
成(cheng)都(dou) 市立(li)維創展科技產業(ye)是WENTEQ的代理商(shang)(shang)商(shang)(shang),一(yi)般供應WENTEQ好服務(wu)收(shou)錄橢(tuo)圓形器(qi)、隔離霜器(qi)、裝(zhuang)載終端門(men)店(dian)等,好服務(wu)原裝(zhuang)機進口報關,產品(pin)品(pin)質保持,提貨的速度快,單價強勢(shi),喜愛咨詢(xun)服務(wu)。
詳情頁了解到WENTEQ請點擊事件://dev.www.zhixianguangzhou.com.cn/brand/29.html