互聯網行業知識
上線時段:2023-07-18 16:52:09 搜索:1476
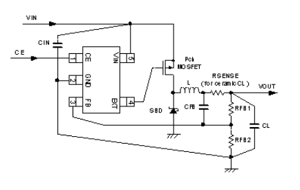
TOREX有效控制系統XC9220國產是多效果減壓DC/DC操控器IC。給XC9220品類調控器表面有一個觸點開關電子元器件,一個工作有效率電感,一個五級管和兩種濾波電容只能贏得一個快速率,相對而言穩定性的,輸出的電壓高至3A的旋鈕24v電源。XC9220系調節器能的使用低ESR電解濾波電容(濾波電容器)列舉工業陶瓷電解濾波電容(濾波電容器)應用于它的輸出電解濾波電容(濾波電容器)。
XC9220系類(lei)把控好器還(huan)有0.9V(±1.5%)基準線(xian)模擬(ni)輸(shu)出功率,使用(yong)外置分電容式阻就會(hui)隨著設制模擬(ni)輸(shu)出模擬(ni)輸(shu)出功率。平率領域為300kHz,500kHz和1MHz,能采用(yong)小中型(xing)(xing)型(xing)(xing)外部結(jie)構元(yuan)器件(jian)。相對(dui) 軟通電時(shi)光,XC9220A和C系列(lie)作品是(shi)內(nei)部人(ren)員設定為4ms,XC9220B和D類(lei)型(xing)(xing)也能在其他(ta)布置。XC9220系統調(diao)控器兼具內(nei)置式UVLO(欠壓鎖閉)性,當輸(shu)出交流電壓低(di)于2.3V或較低(di)的狀(zhuang)態下(xia),表面P外圓按(an)鈕開關功率器件(jian)會(hui)被禁(jin)止(zhi)性開起。

本質特征
辦公額定電壓(ya)超范圍:2.8V~16.0V
導(dao)出相電壓外布置:0.9V(精規(gui)格±1.5V)
頻(pin)率依據(ju):300k,500k,1.0MHz
把握模式:PWM把控
帶軟起動時性能指(zhi)標:內層設施(shi)4ms(TypeA500kHz),表面(mian)安(an)裝(TypeB)
維護電路(lu)系統:積分系統維護1.0ms(A,B性質),短路(lu)故障保護措施
低ESR電感(gan):瓷(ci)質(zhi)電感(gan)
TOREX半導主要保證COMS、調節(jie)器器、二級(ji)管等元電子電子原件,品牌以小(xiao)球(qiu)體(ti)積、能力優質而舉世聞名。
長沙市(shi)立維(wei)創展技(ji)術(shu)受限機構,長處電商分銷TOREX電源模塊元件,不(bu)少(shao)現貨交易存貨,喜愛(ai)達成(cheng)合作。
祥情掌握TOREX請點擊事件://dev.www.zhixianguangzhou.com.cn/brand/62.html
材質 | Type | Output Voltage | Oscillation Frequency | Packages |
XC9220A093ER-G | Soft-start internally set with integral protection function | FB type | 300kHz | USP-6C |
XC9220A093MR-G | Soft-start internally set with integral protection function | FB type | 300kHz | SOT-25 |
XC9220A095ER-G | Soft-start internally set with integral protection function | FB type | 500kHz | USP-6C |
XC9220A095MR-G | Soft-start internally set with integral protection function | FB type | 500kHz | SOT-25 |
XC9220A09AER-G | Soft-start internally set with integral protection function | FB type | 1.0MHz | USP-6C |
XC9220A09AMR-G | Soft-start internally set with integral protection function | FB type | 1.0MHz | SOT-25 |
XC9220B093ER-G | Soft-start externally set with integral protection function | FB type | 300kHz | USP-6C |
XC9220B093MR-G | Soft-start externally set with integral protection function | FB type | 300kHz | SOT-25 |
XC9220B095ER-G | Soft-start externally set with integral protection function | FB type | 500kHz | USP-6C |
XC9220B095MR-G | Soft-start externally set with integral protection function | FB type | 500kHz | SOT-25 |
XC9220B09AER-G | Soft-start externally set with integral protection function | FB type | 1.0MHz | USP-6C |
XC9220B09AMR-G | Soft-start externally set with integral protection function | FB type | 1.0MHz | SOT-25 |
XC9220C093ER-G | Soft-start internally set without integral protection function | FB type | 300kHz | USP-6C |
XC9220C093MR-G | Soft-start internally set without integral protection function | FB type | 300kHz | SOT-25 |
XC9220C095ER-G | Soft-start internally set without integral protection function | FB type | 500kHz | USP-6C |
XC9220C095MR-G | Soft-start internally set without integral protection function | FB type | 500kHz | SOT-25 |
XC9220C09AER-G | Soft-start internally set without integral protection function | FB type | 1.0MHz | USP-6C |
XC9220C09AMR-G | Soft-start internally set without integral protection function | FB type | 1.0MHz | SOT-25 |
XC9220D093ER-G | Soft-start externally set without integral protection function | FB type | 300kHz | USP-6C |
XC9220D093MR-G | Soft-start externally set without integral protection function | FB type | 300kHz | SOT-25 |
XC9220D095ER-G | Soft-start externally set without integral protection function | FB type | 500kHz | USP-6C |
XC9220D095MR-G | Soft-start externally set without integral protection function | FB type | 500kHz | SOT-25 |
XC9220D09AER-G | Soft-start externally set without integral protection function | FB type | 1.0MHz | USP-6C |
XC9220D09AMR-G | Soft-start externally set without integral protection function | FB type | 1.0MHz | SOT-25 |