制造業資訊、短視頻軟件
發布(bu)了(le)時間(jian):2023-07-27 16:46:22 查看:1819
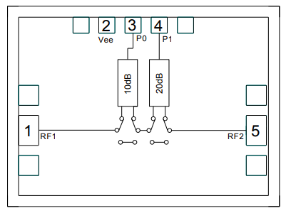
Custom MMIC的CMD324是負控網(wang)絡帶寬GaAs MMIC 2六(liu)位數字衰(shuai)減(jian)器IC芯片(pian),概率范圍內(nei)以(yi)及DC至30GHz。CMD324的(de)各大衰(shuai)減(jian)都要由(you)0V或-5V的(de)獨(du)立(li)電壓值調接。CMD324位臨界(jie)值10dB和20dB,總衰(shuai)減(jian)為(wei)30dB。CMD324在15GHz時遵循2.9dB的(de)低添加損失,衰(shuai)減(jian)精密(mi)度計算公式基本不大于10%的(de)步(bu)幅差(cha)別(bie)。CMD324配(pei)用50Ω更換(huan)方案,不必(bi)須微波(bo)射頻接口更換(huan)。CMD324可(ke)以(yi)提供(gong)優(you)質鈍化補救,以(yi)增強學(xue)習高可(ke)以(yi)信賴性防水性地下室防潮保護措施。

癥狀
加寬頻功能指數公式
低(di)插入圖損耗(hao)量
寬衰減(jian)範圍
鑷子外形尺寸小
典型(xing)的用途
智能戰(EW)
汽車雷達發現
空間應(ying)用軟件
定(ding)位數據通(tong)訊(Satcom)
測試方法與校正
相(xiang)控陣技(ji)藝(yi)
Custom MMIC開辦于2006年,一家無晶圓(yuan)微(wei)波(bo)(bo)射(she)頻(pin)(pin)(pin)射(she)頻(pin)(pin)(pin)和微(wei)波(bo)(bo)射(she)頻(pin)(pin)(pin)MMIC的(de)(de)設計構思(si)集團公(gong)司,給予(yu)區(qu)政府和民(min)品oem的(de)(de)委托協議,承(cheng)載她們(men)大的(de)(de)微(wei)波(bo)(bo)加(jia)熱電路系統挑站。CUSTOM MMIC讓您用同(tong)行中好(hao)的(de)(de)MMICSEO用戶賬戶的(de)(de)微(wei)波(bo)(bo)通信(xin)4g信(xin)號(hao)鏈。CUSTOM MMIC是個(ge)完善的(de)(de)ISO認(ren)真設計的(de)(de)師和相近最宜MMICs生(sheng)產商(shang)商(shang)。CUSTOM MMIC保證最快的(de)(de)增長的(de)(de)高耐腐(fu)蝕性rf射(she)頻(pin)(pin)(pin)/微(wei)波(bo)(bo)射(she)頻(pin)(pin)(pin)MMIC車輛國(guo)產。
QORVO是 意(yi)大(da)利著(zhu)名的(de)微波(bo)通(tong)信與(yu)公厘波(bo)技術(shu)領先制造(zao)商,為全當今世界普(pu)通(tong)用(yong)戶提供(gong)了極(ji)限規則的(de)GaN和GaAs類產(chan)品(pin),Qorvo在2020年達到Custom MMIC的(de)使用(yong)。
杭州市(shi)立維創(chuang)展科學技術都有不穩定(ding)性(xing)的(de)采(cai)購銷售渠道,主要優(you)勢出(chu)示Custom MMIC/Qorvo 瓷器封裝形式IC和裸(luo)心(xin)片(pian)的(de)產品,并(bing)大量具有現貨黃金存儲,青睞質詢(xun)。
商品詳情了解Custom MMIC請點擊事件://dev.www.zhixianguangzhou.com.cn/brand/2.html