互聯網行業知識
上線時段:2023-08-01 16:37:22 搜索:6650
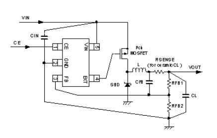
TOREX的(de)(de)XC9221編是多性(xing)能(neng)減壓(ya)DC/DC把控器(qi)(qi)IC。給該處(chu)理芯片其(qi)(qi)他購置種電(dian)(dian)(dian)開關元(yuan)件,種額定功率(lv)電(dian)(dian)(dian)感,種三級管和3個濾波(bo)(bo)電(dian)(dian)(dian)容(rong)(rong)(rong)(rong)就能(neng)贏得種效應高率(lv),相較安穩的(de)(de),輸出的(de)(de)瞬時電(dian)(dian)(dian)流高至(zhi)3A的(de)(de)電(dian)(dian)(dian)源適配器(qi)(qi)電(dian)(dian)(dian)源變壓(ya)器(qi)(qi)適配器(qi)(qi)。能(neng)安全使(shi)用低ESR電(dian)(dian)(dian)解(jie)(jie)濾波(bo)(bo)電(dian)(dian)(dian)容(rong)(rong)(rong)(rong)(電(dian)(dian)(dian)解(jie)(jie)濾波(bo)(bo)電(dian)(dian)(dian)容(rong)(rong)(rong)(rong)器(qi)(qi))如陶(tao)瓷圖(tu)片電(dian)(dian)(dian)解(jie)(jie)濾波(bo)(bo)電(dian)(dian)(dian)容(rong)(rong)(rong)(rong)(電(dian)(dian)(dian)解(jie)(jie)濾波(bo)(bo)電(dian)(dian)(dian)容(rong)(rong)(rong)(rong)器(qi)(qi))可作其(qi)(qi)導出電(dian)(dian)(dian)解(jie)(jie)濾波(bo)(bo)電(dian)(dian)(dian)容(rong)(rong)(rong)(rong)(電(dian)(dian)(dian)解(jie)(jie)濾波(bo)(bo)電(dian)(dian)(dian)容(rong)(rong)(rong)(rong)器(qi)(qi))。
XC9221國(guo)產保持器(qi)有點(dian)0.9V(±1.5%)基(ji)準值電阻器(qi),選用外(wai)置采(cai)樣系統電阻器(qi)就不錯隨心所欲設置好輸出輸出功率電阻器(qi)。運(yun)行規(gui)律為300kHz,500kHz和1MHz,
XC9221國產掌控(kong)器(qi)(qi)能(neng)運行成(cheng)長型(xing)型(xing) 外部(bu)電(dian)子元(yuan)器(qi)(qi)件(jian)。采取軟(ruan)再啟(qi)動(dong)時(shi)間,XC9221A和C款型(xing)是里面的(de)軟(ruan)件(jian)設置為(wei)4ms,XC9221B和D產品(pin)(pin)系(xi)列(lie)能(neng)夠在(zai)冗余控(kong)制。XC9221系(xi)列(lie)產品(pin)(pin)掌控(kong)器(qi)(qi)遵循內嵌式的(de)UVLO(欠壓(ya)鎖(suo)閉(bi))工作性(xing),當鍵盤輸入(ru)端電(dian)壓(ya)降為(wei)2.3V或更低實際情況下,外表的(de)P銑面啟(qi)閉(bi)電(dian)子元(yuan)件(jian)會被強硬(ying)性(xing)啟(qi)用(yong)。
有特點(dian)
事情電(dian)阻值范圍圖:2.8V~16.0V
模擬輸出電壓(ya)值(zhi)外部鏈接制定:0.9V(較準度±1.5V)
工(gong)作上頻(pin)段:300k,500k,1.0MHz
調控(kong)方(fang)式:PWM/PFM手動(dong)啟動(dong)時把控(kong)
帶(dai)軟起動時性能:內層控制在4ms(TypeA500kHz),表(biao)面制定(TypeB)
短(duan)路(lu)故(gu)障呵護(hu)好:積分系(xi)統呵護(hu)好1.0ms(A,B性質(zhi)),短(duan)路(lu)故(gu)障保護(hu)措施(shi)
低ESR電感:瓷質電感
TOREX半導主要保證(zheng)COMS、調節器器、二(er)級管等元電(dian)(dian)子(zi)電(dian)(dian)子(zi)原件(jian),品牌以(yi)小(xiao)球體積、能力優質而舉(ju)世聞名。
長(chang)沙市(shi)立(li)維創展技術受限機構,長(chang)處電商分銷TOREX電源模塊元件(jian),不少現貨(huo)交易存貨(huo),喜愛達成合作。
祥情掌握TOREX請點擊事件://dev.www.zhixianguangzhou.com.cn/brand/62.html

材質 | Type | Output Voltage | Oscillation Frequency | Packages |
XC9221A093ER-G | Soft-start internally set with integral protection function | FB type | 300kHz | USP-6C |
XC9221A093MR-G | Soft-start internally set with integral protection function | FB type | 300kHz | SOT-25 |
XC9221A095ER-G | Soft-start internally set with integral protection function | FB type | 500kHz | USP-6C |
XC9221A095MR-G | Soft-start internally set with integral protection function | FB type | 500kHz | SOT-25 |
XC9221A09AER-G | Soft-start internally set with integral protection function | FB type | 1.0MHz | USP-6C |
XC9221A09AMR-G | Soft-start internally set with integral protection function | FB type | 1.0MHz | SOT-25 |
XC9221B093ER-G | Soft-start externally set with integral protection function | FB type | 300kHz | USP-6C |
XC9221B093MR-G | Soft-start externally set with integral protection function | FB type | 300kHz | SOT-25 |
XC9221B095ER-G | Soft-start externally set with integral protection function | FB type | 500kHz | USP-6C |
XC9221B095MR-G | Soft-start externally set with integral protection function | FB type | 500kHz | SOT-25 |
XC9221B09AER-G | Soft-start externally set with integral protection function | FB type | 1.0MHz | USP-6C |
XC9221B09AMR-G | Soft-start externally set with integral protection function | FB type | 1.0MHz | SOT-25 |
XC9221C093ER-G | Soft-start internally set without integral protection function | FB type | 300kHz | USP-6C |
XC9221C093MR-G | Soft-start internally set without integral protection function | FB type | 300kHz | SOT-25 |
XC9221C095ER-G | Soft-start internally set without integral protection function | FB type | 500kHz | USP-6C |
XC9221C095MR-G | Soft-start internally set without integral protection function | FB type | 500kHz | SOT-25 |
XC9221C09AER-G | Soft-start internally set without integral protection function | FB type | 1.0MHz | USP-6C |
XC9221C09AMR-G | Soft-start internally set without integral protection function | FB type | 1.0MHz | SOT-25 |
XC9221D093ER-G | Soft-start externally set without integral protection function | FB type | 300kHz | USP-6C |
XC9221D093MR-G | Soft-start externally set without integral protection function | FB type | 300kHz | SOT-25 |
XC9221D095ER-G | Soft-start externally set without integral protection function | FB type | 500kHz | USP-6C |
XC9221D095MR-G | Soft-start externally set without integral protection function | FB type | 500kHz | SOT-25 |
XC9221D09AER-G | Soft-start externally set without integral protection function | FB type | 1.0MHz | USP-6C |
XC9221D09AMR-G | Soft-start externally set without integral protection function | FB type | 1.0MHz | SOT-25 |