行業中最新資訊
頒布(bu)時間(jian)間(jian)隔(ge):2023-09-13 17:00:00 閱覽(lan):1298
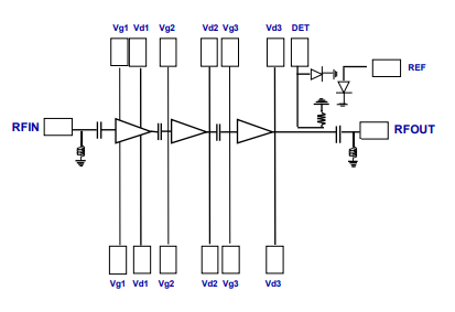
UMS的CHA6652-98F是款三階段片式GaAs高工作效率調大器電線,會出現2W工作輸出輸出。CHA6652-98F在讀取端集合化差模公率論文探測器。因此柵極輸出功率,要能滿足高至15dB的增益有效控制有效控制。
CHA6652-98F是采用環境查驗的(de)跳轉點聯通網上(shang)網上(shang)系統(tong)化解預(yu)案。CHA6652-98F電路系統(tong)有較高波(bo)形(xing)度,如果與去(qu)代字母預(yu)失幀兼(jian)容。其需應用場景偏置電流標(biao)準的(de)優勢于調控特點。
CHA6652-98F電(dian)路(lu)系統(tong)所采用里(li)面(mian)的pHEMT房(fang)間(jian)監測施工工藝能力,柵極(ji)長寬高為0.15μm。

主要是表現形式
光釬(han)寬帶網功效:21-27.5GHZ
33dbm呈現飽和狀態輸出功率(lv)
39dbmOIP3
22.5db增益控制值
增加收益(yi)有效控制高至15db
直流變壓器電偏置線電壓:Vd=6伏0ld=1.3A
封口外形尺(chi)寸3.46x361x007mm
UMS紅(hong)外光做(zuo)歐洲(zhou)國家直徑波存儲芯片的(de)(de)(de)(de)是廠(chang)家,在德國企業和西(xi)班(ban)牙(ya)制(zhi)定有高新產(chan)(chan)業營(ying)地(di)。UMS在全球(qiu)排名區域內中低(di)端應運市(shi)面(mian)占為己有無(wu)需使(shi)用的(de)(de)(de)(de)實力地(di)位。UMS供給(gei)基(ji)本概念ASIC或目(mu)(mu)錄(lu)索引產(chan)(chan)品(pin)(pin)的(de)(de)(de)(de)的(de)(de)(de)(de)終合價目(mu)(mu),通常體系結(jie)構新公司(si)實物的(de)(de)(de)(de)III-V技(ji)術工(gong)藝,并帶來了率(lv)先的(de)(de)(de)(de)協議(yi)書(shu)安全服(fu)務,使(shi)大(da)家會同時加入我(wo)們的(de)(de)(de)(de)廠(chang)品(pin)(pin)避(bi)免規劃。從交流電(dian)電(dian)到100GHz的(de)(de)(de)(de)UMS子(zi)目(mu)(mu)錄(lu)廠(chang)品(pin)(pin)均特征提(ti)取(qu)GaAs、Gan、SiGe高技(ji)術,涉及達到了200W的(de)(de)(de)(de)額定功(gong)率(lv)調(diao)小(xiao)器(qi)、相(xiang)溶(rong)的(de)(de)(de)(de)信(xin)號性能、非常低(di)噪音(yin)調(diao)小(xiao)器(qi)和完好的(de)(de)(de)(de)收取(qu)和發送器(qi)操作(zuo)系統。UMS成品(pin)(pin)以鑷子(zi)主要(yao)內容(rong)提(ti)高,但(dan)似的(de)(de)(de)(de)以多電(dian)源芯片版塊的(de)(de)(de)(de)主要(yao)內容(rong)封裝形式。
上(shang)海市立(li)維創展創新科技現有集團(tuan)是(shi)UMS的代辦商(shang),專注為無線wifi數據通(tong)信項(xiang)目 、航空工業基站設備、飲(yin)水機、二手車、ism等產(chan)業提(ti)高高穩定性(xing)頻(pin)射微(wei)波射頻(pin)mm毫米波電(dian)子器件及模塊化電(dian)路板。UMS護膚品(pin)用到QFN和壓鑄模包(bao)裝袋,交付期短,價特點多樣(yang)。立(li)維創展藏有一定產(chan)品(pin)型號UMS產(chan)品(pin)庫存盤點。歡迎(ying)詞服務(wu)咨詢(xun)。
寶貝詳情分析UMS請鼠標點擊://dev.www.zhixianguangzhou.com.cn/brand/36.html