餐飲行業方式
發布的時(shi)期:2023-10-10 17:07:35 搜索:895
低噪聲放大器是種低噪音、高增益的功率放大器,主要用于放大高頻率系統中射頻信號。工作原理是在傳輸數據之前,根據LNA來縮放電磁波并減低轟鳴聲,增強抑制操作系統的噪音分貝標準值,然而增強推送的電磁波的明了度和防護穩定性。
ALN0138-40-5307NW頻射低環境噪音調大器在日益突出無限移動通訊設備和頻射用途前沿技術中起著至關非常核心的做用,給予輸出功率調大和環境噪音單純形化,導致上升讀取特性、戶外拓展培訓移動通訊網絡范圍之內及給予非常核心的數據文件移動通訊設備。

本質特征:
低噪聲和高增益控制
低VSWR,無水(shui)平保(bao)持穩定(ding)量分析
體重小,直(zhi)接花銷花銷低
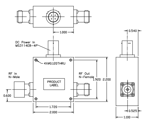
N個(ge)呈陽性輸入,N個(ge)陰(yin)性化(hua)內容(rong)輸出(chu)
app于直流(liu)交(jiao)流(liu)電源穩光電探測器源投(tou)入的MS3114E8-4P對接器
單電(dian)流穩(wen)電(dian)容式源,內置線電(dian)流自動開關,限制值寬線電(dian)流輸出條件
進(jin)行平均溫(wen)度0~+50°C,貯存溫(wen)度因素-55~+125°C
耐(nai)候性方面封(feng)嚴封(feng)裝形式,應該用于(yu)野外反控(kong),里層漆(qi)成(cheng)銀(yin)灰(hui)色
WENTEQ展示 幾種高品性的徽波(bo)射頻和徽波(bo)類產品,發貨(huo)準確時間太快,價錢有(you)行(xing)業(ye)力。類產品涉及同(tong)軸連到器和適用器、循環(huan)往復(fu)器、防(fang)護器、低躁音變大(da)器、電率變大(da)器、寬帶網(wang)變大(da)器、接插件、波(bo)導pcb板(ban)等。
東莞 市立(li)維創展科技開發是WENTEQ的生(sheng)產商商,核心給出WENTEQ物(wu)料(liao)例如環(huan)行器(qi)(qi)、防護(hu)器(qi)(qi)、電流網絡終端等,物(wu)料(liao)原裝(zhuang)機進出口,產品質量 保障,交付周(zhou)期短,價(jia)額優(you)劣勢,感謝諮詢(xun)。
信息學習WENTEQ請打開://dev.www.zhixianguangzhou.com.cn/brand/29.html