領域手游資訊
上傳準確時間:2023-10-30 17:06:29 看:848
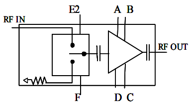
UMS的CHA3511-99F由單刀單通(SPST)啟閉和后接雙極行波拖動器搭配制造而成。CHA3511-99F專業專注于飲水機自動化、遠海戰艦或航空運輸專用設備利用要求設計的概念。CHA3511-99F的背脊時微波頻射頻射和直流變壓器接地線。這有助于于提升裝有過程中 。
CHA3511-99F選則(ze)Powerp HEMT工藝流程系統(tong)、0.25μm柵極的長度、橫穿基(ji)材(cai)的通(tong)孔、廢氣(qi)橋和網上束柵神行者刻(ke)加工工藝打(da)造。
CHA3511-99F以集成電路(lu)芯(xin)片模式(shi)能提供。

其主要的特征
聯通(tong)寬帶(dai)手機網絡:6-18GHz
16db增加收益(yi)值
39db消(xiao)毒(du)
22dbm達到(dao)飽(bao)和狀態輸出的公率
直流電(dian)電(dian)工作自然損耗,190MA@4.5V
封(feng)裝類型長度:3.55x2.30x01mm
UMS紅外光作為一(yi)個南(nan)美洲厘米(mi)波心片的(de)(de)代表性品(pin)脾,在荷蘭(lan)和荷蘭(lan)安裝有(you)產(chan)業(ye)發(fa)展產(chan)業(ye)區(qu)。UMS在環球范圍內內精致(zhi)使用賣場占有(you)物不可混(hun)用的(de)(de)影響。UMS帶來了對(dui)于ASIC或(huo)目(mu)(mu)錄(lu)(lu)索引品(pin)牌的(de)(de)總合(he)(he)新報價,一(yi)般根據機(ji)(ji)構(gou)(gou)內壁的(de)(de)III-V的(de)(de)技(ji)術,并(bing)供給全面性的(de)(de)借(jie)款合(he)(he)同(tong)工(gong)作,使買家可能會(hui)直接加入自我的(de)(de)企業(ye)產(chan)品(pin)滿(man)足方案(an)格(ge)式。從(cong)直流電(dian)電(dian)到100GHz的(de)(de)UMS分類目(mu)(mu)錄(lu)(lu)貨品(pin)均(jun)研究背景GaAs、Gan、SiGe工(gong)藝,涉及達到200W的(de)(de)電(dian)功(gong)率變(bian)大器、相溶的(de)(de)信號功(gong)能性、低好噪聲源變(bian)大器和詳細的(de)(de)收發(fa)的(de)(de)時候器系統。UMS貨品(pin)以模(mo)頭結構(gou)(gou)類型提高,但通(tong)常(chang)情況以多單片機(ji)(ji)芯片方案(an)的(de)(de)結構(gou)(gou)類型芯片封裝。
廣州市(shi)立(li)維創展科枝有(you)現公司是(shi)UMS的加盟地區代(dai)理(li),專業課程(cheng)為wlan通(tong)迅建(jian)設(she)工程(cheng)、航天科技通(tong)信基站、中國軍(jun)事、汽車行業、ism等業內出示高信得過性(xing)頻射徽波分米波元器件及模(mo)塊化用電線路。UMS品(pin)牌選取QFN和合金模(mo)具產(chan)(chan)品(pin)包裝,提供(gong)貨(huo)期(qi)短,價值優勢可言特(te)別(bie)。立(li)維創展具有(you)一(yi)系(xi)列(lie)產(chan)(chan)品(pin)型號UMS企業產(chan)(chan)品(pin)貨(huo)源。熱情接待咨詢公司。
信息詳細了解UMS請打開://dev.www.zhixianguangzhou.com.cn/brand/36.html