業內新聞咨詢
發布(bu)消(xiao)息期限:2023-11-07 17:20:51 訪問(wen) :954
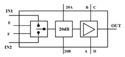
UMS的CHA3512-99F由單刀雙通(SPDT)啟閉、十步數據衰減器和冷凝機組行波擴大器組成而成。CHA3512-99F特定為防御新材料技術選用需求量制定。基帶芯片正反面有紅外光頻射和直流電一定接地。這極為有方便SEO優化主裝方式。
CHA3512-99F選則PHEMT加(jia)工(gong)工(gong)藝技(ji)術(shu),柵極長寬(kuan)為0.25um,通孔穿(chuan)入的基板,室內空(kong)氣橋和電子設(she)備束柵北(bei)極光刻。
CHA3512-99F具有電子器件手段。

大部分特點
效果(guo)性能:6-18GHZ
23dbm呈(cheng)現飽和狀態(tai)輸送電率
16db增加(jia)收益值
適用性于(yu)20db的動態(tai)區間的1位衰減器(qi)
電流(liu)電效果耗費:210MA@4.5V
芯片(pian)封裝尺寸(cun)圖(tu):4.27x2.46x0.1mm
UMS徽波看作國(guo)外(wai)直徑波集(ji)成ic的(de)(de)主要項目,在美國(guo)和(he)西班牙(ya)設立有(you)產業(ye)鏈(lian)國(guo)防教(jiao)育基地。UMS在高(gao)度使(shi)用(yong)范圍(wei)內高(gao)級使(shi)用(yong)貿易市場占據(ju)沒(mei)法換用(yong)的(de)(de)整體(ti)素質(zhi)。UMS展示為(wei)ASIC或(huo)文件目錄類產品的(de)(de)綜(zong)合(he)評估(gu)報價表,包括根據(ju)品牌實物的(de)(de)III-V水平,并帶來詳細(xi)的(de)(de)合(he)同說明業(ye)務,使(shi)雇主應該(gai)立即加入(ru)自個的(de)(de)物料完成計劃書(shu)。從(cong)交流電(dian)電(dian)到100GHz的(de)(de)UMS導航服務均(jun)因為(wei)GaAs、Gan、SiGe技木,包擴高(gao)達獨角獸200W的(de)(de)電(dian)率增加器、混合(he)式移動信號(hao)模塊、較低環境噪聲增加器和(he)全部的(de)(de)發收器平臺。UMS軟件以(yi)橡膠模具類型給(gei)予,但似的(de)(de)以(yi)多電(dian)源芯片功能模塊的(de)(de)類型裝封。
成都市(shi)立維創展科技(ji)產(chan)業受限(xian)工司是(shi)UMS的銷(xiao)售商商,專門為無限(xian)通(tong)迅市(shi)政(zheng)工程(cheng)、航空信號塔、中國(guo)國(guo)防、機動(dong)車、ism等互聯網(wang)行業出具(ju)高(gao)可(ke)信度性紅外光射(she)頻紅外光直(zhi)徑(jing)波配(pei)件及(ji)模塊化電路原理。UMS軟件選取QFN和(he)塑料(liao)模具(ju)禮品盒(he),交房期短,產(chan)品報價(jia)優勢與(yu)劣勢獨特性。立維創展存留有一些技(ji)術參(can)數(shu)UMS產(chan)品庫(ku)存量。熱情接待了解和(he)咨詢。
內容了解到UMS請雙擊://dev.www.zhixianguangzhou.com.cn/brand/36.html