業內新聞資訊
披露日期:2023-11-24 17:19:34 搜索(suo):925
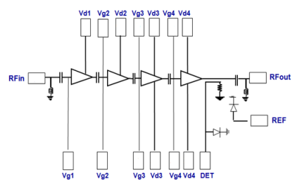
CHA6653-98F是款4個等級單面Gaas高公率放小器,并能生成1.8w的的輸出馬力。CHA6653-98F是角度曲線的,配備增加收益的控制特點,并ibms化電功率加測器。涵蓋ESD保護的。
CHA6653-98F專為中國聯通(tong)采用所需裝修設(she)計。
CHA6653-98F選則PHEMT技(ji)藝技(ji)木,柵極尺碼為0.15um。

核心特點
移動寬帶(dai)效果(guo):27-34GHZ
32dbm呈現(xian)飽(bao)和狀態輸(shu)出功率(lv)
38dbmOIP3
23db增加收(shou)益值(zhi)
整流電(dian)(dian)偏(pian)置(zhi)電(dian)(dian)壓(ya)降:Vd=6伏ldq=0.9A
封裝類型尺(chi)寸規格3.61x3.46x0.07mm