業內手游資訊
公布的周期:2023-12-25 16:56:01 瀏覽訪問:848
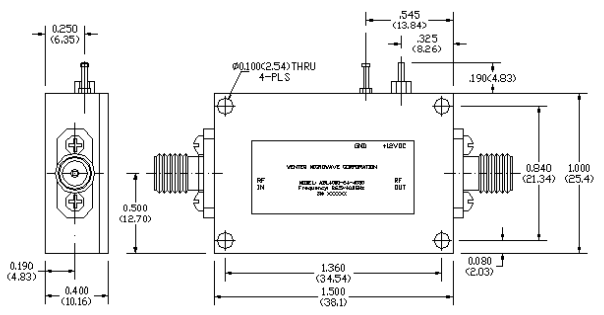
現在(zai)(zai)有線通訊(xun)(xun)技術(shu)網(wang)洛的(de)(de)(de)高(gao)速(su)公路壯(zhuang)大(da),絲狀波(bo)系(xi)統軟件的(de)(de)(de)多樣(yang)優點越多越遭到(dao)非常(chang)強調(diao)。因為兼備分辦率(lv)高(gao)休型小等優點,其在(zai)(zai)極端主義天氣(qi)氣(qi)候(hou)前提條件和個人(ren)信息系(xi)統爭端區(qu)域(yu)(yu)下的(de)(de)(de)專(zhuan)注技能招式越多越遭到(dao)非常(chang)強調(diao)。在(zai)(zai)mmmm波(bo)在(zai)(zai)區(qu)域(yu)(yu)遭到(dao)日益突(tu)出的(de)(de)(de)氣(qi)體擴(kuo)散使用性(xing)能的(de)(de)(de)影(ying)響到(dao),擴(kuo)散衰減相對(dui)應不大(da),因此(ci) 不顧何種(zhong)分類的(de)(de)(de)接受(shou)(shou)機(ji)(ji),其接受(shou)(shou)到(dao)的(de)(de)(de)區(qu)域(yu)(yu)mmmm波(bo)網(wang)絡訊(xun)(xun)號正常(chang)都十分弱。如此(ci)一來(lai),在(zai)(zai)mmmm波(bo)網(wang)絡訊(xun)(xun)號轉為成(cheng)統計(ji)資(zi)料網(wang)絡訊(xun)(xun)號很(hen)久(jiu),也(ye)也(ye)是(shi)混頻或(huo)檢波(bo)很(hen)久(jiu),考慮(lv)到(dao)抓好接受(shou)(shou)機(ji)(ji)兼備好些的(de)(de)(de)快速(su)性(xing),需求涉及到(dao)低(di)的(de)(de)(de)噪音mmmm波(bo)拖(tuo)(tuo)動(dong)(dong)器(qi)對(dui)往來(lai)有線無線天線后的(de)(de)(de)mmmm波(bo)網(wang)絡訊(xun)(xun)號實施低(di)的(de)(de)(de)噪音拖(tuo)(tuo)動(dong)(dong)。ALN3000-07-3325亳米波(bo)低(di)嗓(sang)聲(sheng)放縮器(qi)效用高(gao)、寬頻率(lv)段、高(gao)運轉轉化率(lv)、長安小巧性(xing)、懂得(de)調(diao)整便捷(jie),都可(ke)以較好的(de)(de)(de)足夠長安小巧性(xing)的(de)(de)(de)進展市場需求。

特證:
低噪音源和高收獲
低VSWR,無前提固確(que)定
單直(zhi)流線(xian)電壓線(xian)電壓交(jiao)流電源(yuan),內嵌(qian)式直(zhi)流線(xian)電壓線(xian)電壓塊和線(xian)電壓自動調整(zheng)器
休型小,收費收費低
絲孔K連(lian)到器I/O
操作的平均溫度(du)-40~+75°C,存貯溫差-55~+125°C