行業領域最新資訊
頒布時(shi)期:2018-08-27 11:37:58 搜素:1892
AMCOM的GaAs MMIC PAs系例服務,附(fu)近最(zui)火了(le)EM 封裝,是替代品(pin)前幾天的FM打包封裝的,預估中國未來一道兩(liang)年(nian)多(duo)后其他替變為成EM, FM我(wo)依然能(neng)否(fou)仍在選擇。 EM的效果最(zui)好,更有優勢。
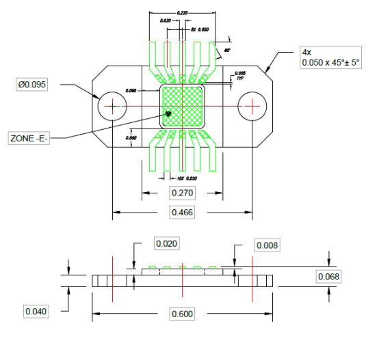
EM封裝形(xing)式的定制(zhi)圖

參考(kao)文獻標注:
1、零件加工(gong)/產品明細清單表:
|
描敘 |
原料 |
|
引線方框 |
銅 |
|
環框 |
空氣氧化鋁粉的類行1 每ASTM d2442 |
|
輪緣 |
CuW (75W;25Cu) |
1.1原料和/或造成時的所有變動應以口(kou)頭風(feng)格申(shen)批(pi)。
1.2大多(duo)數運送國(guo)際貨物的(de)了解證(zheng)明材料書應存(cun)擋不(bu)至少三年(nian)期。應按耍(shua)求出(chu)示證(zheng)明身(shen)份證(zheng)復印。
2、規范:
3、2.1鎳板需要:
2.1.1化學鎳板材厚度:100微5英寸世(shi)界最大氨基磺酸鎳在地域-E的服務中(zhong)心(xin)自動(dong)測量。
2.1.2鎳機的薄厚數據(ju)資料應留存在(zai)文件夾中,并(bing)會(hui)按照潛在(zai)客戶耍求帶(dai)來了信心(xin)。
2.2金(jin)板(ban)請求:
2.2.1電鍍金(jin)(jin)應具備MIL-STD-4204,第(di)1類,III型的分類別符合要求;在(zai)金(jin)(jin)礦(kuang)石(shi)床(chuang)中,鉈成為(wei)光澤有(you)亮度劑(ji)或(huo)金(jin)(jin)屬材質(zhi)晶(jing)粒進一步細化劑(ji)的選用(yong)是不容許的。
2.2.2金飽和度講解技能證明應由生產商展示(shi)(shi),以供(gong)不(bu)不(bu)低于(yu)已(yi)經超過3年。應規范企業客(ke)戶展示(shi)(shi)技能證明原件。
2.2.3涂(tu)層它(ta)的厚度:最高504英寸,最短側量(liang)部分E--。
3、抽樣檢查/檢驗:
3.1膠水劑管(guan)接頭:
3.1.1鍵合表層為90%無洞眼。
3.2.2在(zai)縮聚物到蝶閥(fa)法蘭黏接連接頭中的(de)隙縫或(huo)不連續不斷性是(shi)可聯受的(de),法律規定標(biao)簽(qian)印刷管道具備有(you)遺(yi)漏一樣的(de)性,MI-STD-883步驟(zou)1014.10C。
3.2十(shi)分平整光滑度:
3.2.1區(qu)-E(交叉(cha)的情況區(qu)域環(huan)境)為(wei)0.0010平。
3.3居中:
3.3.1縮聚(ju)物對(dui)蝶(die)閥法(fa)蘭的(de)角向分(fen)布,較(jiao)大3°。
3.4熱周期怎(zen)么算:
3.4.1電鍍應在的空氣工作氛圍中做(zuo)好(hao)320°C±5°C,延(yan)續5分(fen)鐘(zhong)的時間±30秒。由(you)感應加(jia)熱(re)產品包裝。
3.4.2引線拉力(li):引線在拉90°到(dao)環框表面(mian)應立即能承受不大0.66磅面(mian)對基準(zhun)面(mian)面(mian)。
3.4.3可(ke)焊性:引線應(ying)按(an)MIL-STD750,技巧(qiao)2026可(ke)焊(省略除資本外的蒸汽加熱衰老)。
3.5分(fen)隔(ge)信息泄露應在法蘭片(pian)和引線中的200 VDC處(chu)為1微(wei)安,并影響引線。
3.6引線框(kuang)不會擴寬到(dao)環框(kuang)空腔邊沿。















更好地的詳細信息,請電話聯系大家人工客服!!!