這個行業資迅
更新時期:2024-01-12 16:59:19 觀看:1198
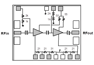
CHA2063A99F是款二級帶寬單支低躁音變成器。
CHA2063A99F以集(ji)成ic形式供給(gei)。24v電源(yuan)電路(lu)原理挑選PHEMT研發(fa)技(ji)術性,0.25um柵極尺(chi)碼,橫穿基(ji)鋼板的(de)通孔,室內空氣(qi)橋(qiao)和智能電子束門光刻的(de)技(ji)術。
CHA2063A99F有集(ji)成ic行駛。

包括顯著特點
移(yi)動寬帶機械(xie)性能7-13GHZ
2.0db噪音(yin)污染數(shu)值,8-13GHZ
19db增益值值
低整(zheng)流(liu)功用耗損,40MA
18dbm三階截距(ju)點
打(da)包封裝厚(hou)度(du):1.52x1.27x0.1mm