領域手游資訊
頒布用時:2024-02-26 17:17:51 瀏覽訪問:1230
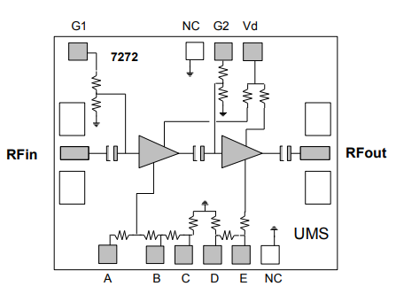
UMS的CHA2066-99F是款有級光纖寬帶片式低低頻噪音擴大器。
CHA2066-99F所采(cai)用標準的(de)HEMT技藝(yi)技能:0.25um柵極尺寸圖、橫穿柔性板的(de)螺孔、空氣(qi)的(de)橋和自動化束柵神行者刻能力。
CHA2066-99F以(yi)電子器(qi)件玩法提供數據。

最主要優點
帶寬能力10-16GHZ
2.0db相位(wei)燥音(yin),10-16GHZ
16db增加收益(yi)值(zhi),+0.5db增加收益(yi)值(zhi)表(biao)面鋼筋保(bao)護(hu)層
低(di)交流電的(de)功(gong)能材料耗費,50MA
20dbm三階截距點
封裝(zhuang)形(xing)式長寬:1.52 x 1.08 x 0.1mm
鄭州(zhou)市立維創(chuang)展科技信(xin)息有局限工司受權經售UMS微波加熱,應(ying)對部(bu)位(wei)參數的UMS商品(pin)出(chu)具(ju)質量上乘的現(xian)貨平臺商品(pin)貨存,喜歡(huan)了解。