餐飲行業信息資訊
公布用時:2024-03-01 17:08:29 瀏覽器:820
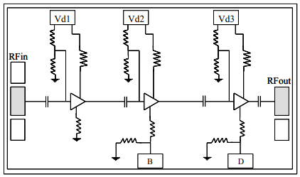
UMS的CHA3689-99F是款二級自偏置移動寬帶單面低低頻噪音變小器。
CHA3689-99F被的設(she)計(ji)用(yong)(yong)(yong)(yong)來從(cong)國防科技國防到工業無(wu)線通(tong)信網絡化的絕大(da)多數施(shi)用(yong)(yong)(yong)(yong)。CHA3689-99F常(chang)用(yong)(yong)(yong)(yong)pHEMT工藝(yi)設(she)備應(ying)用(yong)(yong)(yong)(yong)技術應(ying)用(yong)(yong)(yong)(yong),柵(zha)極長度為0.25um,通(tong)孔橫穿基(ji)材,冷空氣橋和電子束柵(zha)星空刻(ke)技術設(she)備。
CHA3689-99F出具存儲芯片手段。

特性
寬帶網絡耐磨性:12.5-30GHz
2.0dB相位躁聲
26dB增益值值(12.5-26GHz)
26dBm輸出(chu)IP3(18-30GHz)
低整流電作用耗率
整流電偏置輸(shu)出(chu)功率:Vd=4伏,Id=90/120mA
封(feng)裝類型寬度:2.45 x 1.21 x 0.1mm
武漢市立維創展科(ke)學有局限(xian)廠家授(shou)權(quan)書銷售(shou)UMS微波加(jia)熱,造成位置材質的(de)UMS服(fu)(fu)務(wu)保證(zheng)可信賴的(de)外盤服(fu)(fu)務(wu)庫存積壓,歡(huan)迎大家詳(xiang)詢。