互聯網行業最新資訊
發(fa)布消息事(shi)件:2024-03-07 17:15:25 搜素:839
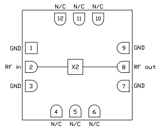
Custom MMIC的CMD227C3是款使用瓷磚QFN型打包封裝的寬帶網MMIC GaAs x2無源倍頻器。當由 +15 dBm 手機信號動力時,CMD227C3在23 GHz輸出的幾率下有 11 dB 轉化率消耗。Fo 和3Fo 隔離度分開是 38 dBc 和 49 dBc。CMD227C3所用 50 Ω自適應的設計,不用 RF 服務器端口支持。

結構特征
低轉化率消耗
良好的Fo 消(xiao)毒
光纖(xian)寬帶性能參數
不需成見
滿意 RoHS 基準化的無鉛 3x3 mm SMT 封裝(zhuang)類型行式
經典應用軟件
網上戰(EW)
X股票波(bo)段聲納
Ku波長(chang)統計(ji)
區房間
小行星(xing)通訊(xun)設備(bei)(Satcom)
Custom MMIC創建于2006年,是家無晶圓頻射和微波射頻MMIC設計制作工廠,CUSTOM MMIC好處企業公司選用類似型中最好是的MMIC優化網絡使用者的頻射數字信號鏈。CUSTOM MMIC是詳盡的ISO申請認證設計制作師和之類型好MMICs供貨商商。CUSTOM MMIC展示一(yi)直增長額的高機械性能頻射/微(wei)波(bo)加熱MMIC貨品線(xian)。
QORVO做為荷蘭(lan)知名(ming)的(de)微波(bo)通(tong)信與(yu)mm毫米波(bo)先進打(da)造商,為全中國普(pu)通(tong)用戶出示(shi)上限產品規格的(de)GaN和GaAs車輛,Qorvo在(zai)2020年(nian)達到Custom MMIC收構。
東莞市立維創展科技開發受(shou)限工司認證(zheng)批發商銷售業務(wu)Custom MMIC商品(pin)線,此(ci)事需(xu)求分析邀(yao)請咨(zi)詢中心他們!!!