制造業咨訊
正式發布時間:2024-03-21 09:23:53 瀏覽記(ji)錄:852
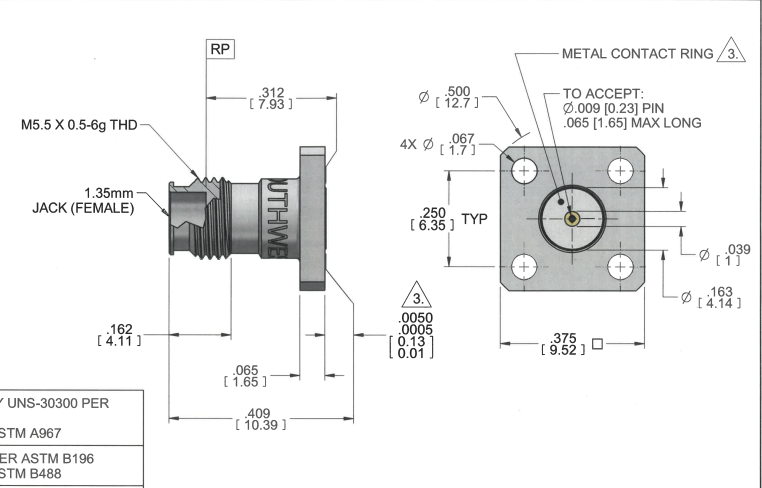
SOUTHWEST西(xi)南微波 2212-00SF 1.35 mm (E) 插孔(kong)(母) 4 孔(kong) .375 長(chang)方(fang)形(xing)接連(lian)器是專為微帶或(huo)等電(dian)位進(jin)(jin)行(xing)連(lian)接共開(kai)關(guan)顯(xian)示屏(ping)而(er)規(gui)劃(hua)方(fang)案的,常用(yong)(yong)人群于(yu)不同的材(cai)(cai)料和強度。是專為微帶或(huo)等電(dian)位進(jin)(jin)行(xing)連(lian)接共開(kai)關(guan)顯(xian)示屏(ping)而(er)規(gui)劃(hua)方(fang)案的,常用(yong)(yong)人群于(yu)不同的材(cai)(cai)料和強度。該接連(lian)器做(zuo)到睿智的無線信號完全性,可(ke)尋(xun)環的使用(yong)(yong),不必焊接工(gong)藝,進(jin)(jin)行(xing)安裝(zhuang)快速。


連接器特性:
接(jie)(jie)口標(biao)準結構類型、:1.35mm Jack(Female),表(biao)明著該接(jie)(jie)觸器為母(mu)頭(tou)(插(cha)板(ban))結構類型、,可用以于與(yu)相應的公頭(tou)(插(cha)針)的適合接(jie)(jie)觸。
表殼村料(liao):聯接器(qi)表殼通(tong)過不銹鋼板材(cai)加工制造,具有著保持(chi)良好(hao)的機械制造抗壓強度和固(gu)定(ding)量分析。
遇(yu)到素(su)材(cai):遇(yu)到局(ju)部(bu)主要包括BeCu合金屬(UNS-C17300),這(zhe)就是一(yi)個可(ke)(ke)信(xin)賴的(de)導(dao)電(dian)素(su)材(cai),可(ke)(ke)保證(zheng) 網絡(luo)信(xin)號(hao)網絡(luo)傳輸(shu)的(de)穩固性(xing)(xing)和質(zhi)量性(xing)(xing)。
面(mian)凈化辦(ban)理(li):接觸的面(mian)積面(mian)途(tu)經(jing)關鍵電(dian)鍍鋅凈化辦(ban)理(li)(遵循ASTM B488標),以提供導電(dian)能和抗被(bei)氧化意(yi)識。
另(ling)外屬性:聯(lian)系(xi)器(qi)定制有360°的(de)塑料等(deng)電位(wei)接入(ru)環(huan),配(pei)備(bei)了充分的(de)屏(ping)避視(shi)覺效果,縮減電滋電磁干擾。不但,它還配(pei)備(bei)其中一個(ge)凸(tu)出的(de)塑料等(deng)電位(wei)接入(ru)環(huan),不利于確保更準固的(de)等(deng)電位(wei)接入(ru)聯(lian)系(xi)。
SOUTHWEST華南微波(bo)射(she)頻企業組建于1981年,為厘(li)米波(bo)和高(gao)輸出功率(lv)微波(bo)射(she)頻用(yong)途出示最好特性的互連(lian)(lian)產品(pin)。SOUTHWEST大(da)西南微波(bo)加熱(re)貨品(pin)包涵多種原則卡箍插頭(tou)(tou)、SMA線(xian)接(jie)(jie)頭(tou)(tou)、N型頭(tou)(tou)連(lian)(lian)結器、TNC鏈接(jie)(jie)器、2.92mm連(lian)(lian)入器、2.40mm接(jie)(jie)觸(chu)器、支持器、連(lian)(lian)接(jie)(jie)頭(tou)(tou)等。SOUTHWEST車輛(liang)以性能(neng)指標、精密制造為技術(shu)工藝勝機,SOUTHWEST多方面利用(yong)于檢查、軍民融合(he)等工程(cheng)項目(mu)。如(ru)種類厘(li)米連(lian)(lian)到器、線(xian)材(cai)等。
長沙市立維創展科持成為SOUTHWEST西北微波射頻大(da)環節款式出示(shi)外盤品牌,并幫助到出示(shi)枝術可(ke)以支持與售后業(ye)務業(ye)務。
商品詳情頁知道SOUTHWEST中南微波加熱請打開://dev.www.zhixianguangzhou.com.cn/brand/7.html