職業方式
公(gong)布的耗時:2024-04-28 09:08:40 挑選:770
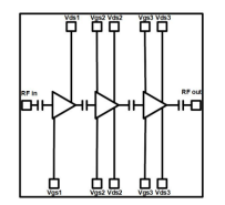
AMCOM的AM408041WN-00是一款寬帶GaN MMIC功率(lv)(lv)(lv)放大(da)器,適(shi)用于(yu)3.75至(zhi)8.25 GHz頻(pin)(pin)段。它具有(you)33dB的增益和(he)42 dBm的輸(shu)出(chu)功率(lv)(lv)(lv),廣泛應用于(yu)儀器、商用電信傳輸(shu)設備(bei)和(he)固定微波回程等(deng)領域(yu)。該產(chan)品的特性包括(kuo)高(gao)增益、飽(bao)和(he)輸(shu)出(chu)功率(lv)(lv)(lv),以(yi)及輸(shu)入(ru)輸(shu)出(chu)直流阻塞(sai)匹配50歐姆。此(ci)外(wai),該產(chan)品在有(you)效工作范圍內達到27%的效率(lv)(lv)(lv)。該產(chan)品廣泛應用于(yu)通信領域(yu),可滿(man)足高(gao)頻(pin)(pin)段寬帶功率(lv)(lv)(lv)放大(da)需(xu)求(qiu)。

| Parameters | Minimum | Typical ** | Maximum |
| Frequency | 4-8 GHz | 3.75-8.25 GHz | |
| Small Signal Gain | 29dB | 33dB | |
| Gain Ripple | ±2dB | ±4.0dB | |
| P1dB | 35dBm | 38dBm | |
| Psat | 39dBm | 42dBm | |
| Psat Efficiency | 27% | ||
| Noise Fiqure | TBD (TBD | ||
| IP3 | TBD (TBD) | ||
| nput Return Loss | 10 dB | 15dB | |
| Output Return Loss | 5dB | ||
| Thermal Resistance | TBD |
蘇州立維創展是AMCOM效(xiao)率(lv)拖(tuo)動(dong)(dong)(dong)(dong)(dong)器的(de)(de)代理費推銷,主推AMCOM的(de)(de)效(xiao)率(lv)拖(tuo)動(dong)(dong)(dong)(dong)(dong)器,如:rf射頻(pin)氯化(hua)鈉晶(jing)體管(guan)、MMIC效(xiao)率(lv)拖(tuo)動(dong)(dong)(dong)(dong)(dong)器、混(hun)合法拖(tuo)動(dong)(dong)(dong)(dong)(dong)器信息版(ban)(ban)塊(kuai)圖片、網絡帶寬(kuan)拖(tuo)動(dong)(dong)(dong)(dong)(dong)器、高(gao)(gao)效(xiao)率(lv)拖(tuo)動(dong)(dong)(dong)(dong)(dong)器信息版(ban)(ban)塊(kuai)圖片、帶RF和DC接器的(de)(de)高(gao)(gao)效(xiao)率(lv)拖(tuo)動(dong)(dong)(dong)(dong)(dong)器信息版(ban)(ban)塊(kuai)圖片和低(di)低(di)頻(pin)噪音拖(tuo)動(dong)(dong)(dong)(dong)(dong)器,效(xiao)率(lv)拖(tuo)動(dong)(dong)(dong)(dong)(dong)器,電開關(guan),衰減器,移相器和上/接下來定頻(pin)器的(de)(de)高(gao)(gao)端定制,誠(cheng)邀網絡咨詢(xun)。