BXMP1012低噪音rf射頻變大器API Tech
上傳準確時(shi)間:2024-05-08 08:52:00 查看:704

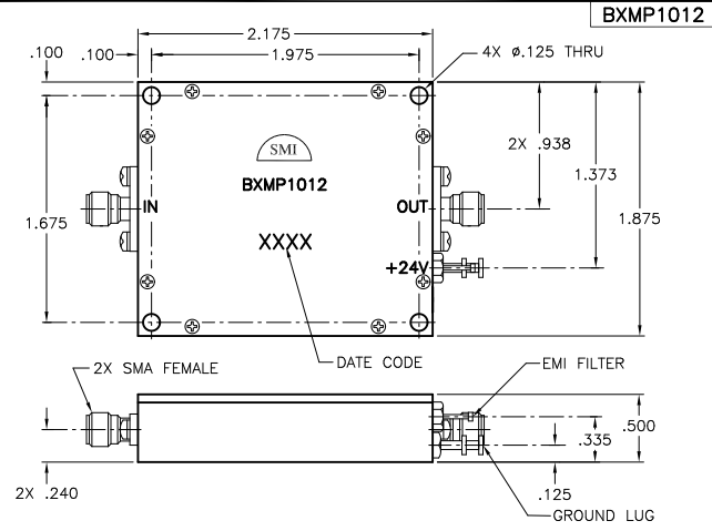
BXMP1012低噪音分貝變成器都是款專為須要低噪音分貝、高規則化度和高讀取額定功率的適用而結構設計的變成器。它有著下例一般優缺點和優勢與劣勢: 1. 低嘈音指數公式:典型性參考值3.7 dB,極大參考值4.0 dB,使用于于規定要求高信噪比的用情景。 2. 高中階切斷點:主要表現值>+49 dBm,維持在正確對待高藝術進入數據時不可能形成比較突出的非線性網絡模糊。 3. 高中階和二階雙音截取點:都為+95 dBm(具代表性值)和+93 dBm(具代表性值),才能凈化處理同比度的發送移動信號而不在關系。 4. 高耗油率1 dB縮小點:舉例值一般選擇+32 dBm,打出耗油率大,在高阻抗情形下仍能做到較低失幀。 5. 本職運轉條件濕度標準廣泛應用:應主要用于-55℃至+100℃的本職運轉條件條件濕度,-62 ℃至 +125 ℃的會自動儲存條件濕度規范。 6. 速度使用范圍多:0.5 - 35 MHz,可實現有差異速度下的使用實際需求。 7. 鍵盤輸入/導出工作效率及收獲控制外形尺寸尺寸明確責任:含有看不清楚的工作效率、收獲控制和壓縮成點外形尺寸尺寸,簡單手機用戶在結構設計和應用領域時實現最準確精確定位。 8. VSWR低:發送和打出的電壓駐波比均低于1.5:1,衡量訊號輸送速率。 9. 常用前沿技術常見:無線網絡無線通信網絡、預警雷達、檢測生產設備等前沿技術,常用作要求凈化處理薄弱衛星信號燈并保持穩定衛星信號燈完整版性和質量水平的畫面。
| CHARACTERISTIC | TYPICAL Ta=25 ℃ | MIN/MAX Ta =0℃ to+50℃ |
| Frequency | 0.5 -35 MHz | 05-35 MHz |
| Gain(dB) | 22 | 21.5 Min./ 22.5 Max |
| Gain Flatness (dB) | 0.5 | 0.5 Min. |
Power @ 1 dB Comp.(dBm) | +32 | +31 Min |
| P2(dBm)5-35 MHz | 93 | 90 Min |
| IP3(dBm | 49 | 47 Min. |
Reverse lsolation (dB) | 27 | 26 Min. |
| VSWR | In Out | <1.5:1 <1.5:1 | 1.5:1 Max 1.5:1 Max |
| Noise figure (dB) | 3.7 | 4.0 Max |
Powe Vdc mA | +24 425 | +24 450 Max |