行業領域最新資訊
推送精力(li):2024-05-10 08:48:57 瀏覽訪問(wen):826
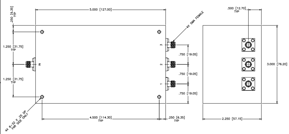
PLH3-2和PLH3-1是MCLI功(gong)率(lv)分配器/合并器。它(ta)們具有不同(tong)的(de)(de)頻率(lv)范(fan)圍。PLH3-2的(de)(de)頻率(lv)范(fan)圍是從0.02 GHz至0.13 GHz,而PLH3-1的(de)(de)頻率(lv)范(fan)圍是從0.03 GHz至0.5 GHz。關于VSWR(駐波比(bi)),PLH3-2的(de)(de)VSWR為(wei)0.35 dB,而PLH3-1的(de)(de)VSWR為(wei)0.75 dB。

具體參數如下:
| Part# | Frequency Range (GHz) | Insertion Loss (dB) | lsolation(dB) | VSWR | Balance | Phase Balance | Power Avg.(W) | ||||
| Min A | Max A | In÷ | out | ||||||||
| PLH3-2 | 0.02 | 0.13 | 0.35 | 35 | 1.30:11.30:1 | ±0.2dB | ±5° | 100 | |||
| PLH3-1 | 0.03 | 0.5 | 0.75 | 20 | 1.35:11.35:1 | ±0.3dB | ±5° | 100 | |||
成都市立維創展科枝不多大公司,代權代銷售業務MCLI食品,認可(ke)加盟(meng)商顧問。