的行業介紹
推出精力:2024-05-16 09:15:52 搜素(su):814
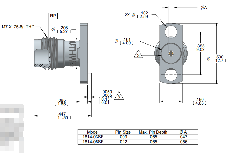
SOUTHWEST華東徽波 1814-06SF系列(lie)是一(yi)款專為高頻(pin)應用(yong)(yong)設(she)(she)計的(de)1.85mm(V)插(cha)孔(kong)連(lian)接器(qi),具(ju)(ju)有2孔(kong)法(fa)蘭安(an)裝配置。該連(lian)接器(qi)為母頭設(she)(she)計,能(neng)(neng)夠接受(shou)直(zhi)徑(jing)為0.012英(ying)寸(cun)的(de)公插(cha)針(zhen),并提供氣密密封功能(neng)(neng),確保在高頻(pin)應用(yong)(yong)中的(de)性能(neng)(neng)穩定。它支持(chi)18GHz、27GHz、36GHz、40GHz、50GHz和(he)(he)67GHz的(de)頻(pin)率范圍,適用(yong)(yong)于微波通信、雷達系統(tong)和(he)(he)測試測量(liang)設(she)(she)備等高頻(pin)應用(yong)(yong)場景。連(lian)接器(qi)采用(yong)(yong)2孔(kong)法(fa)蘭安(an)裝方式,法(fa)蘭尺(chi)寸(cun)為0.500英(ying)寸(cun)長,孔(kong)直(zhi)徑(jing)為0.102英(ying)寸(cun),使用(yong)(yong)T-291-5型孔(kong)刀具(ju)(ju)和(he)(he)T-212-15型焊料(liao)工具(ju)(ju)進(jin)行安(an)裝和(he)(he)焊接。


鄭州市立維創展科持得到SOUTHWEST大西(xi)南紅外光(guang)大區域款型(xing)打造(zao)數據外盤商品,并(bing)協助執行打造(zao)數據技術應用能夠(gou)與售后保(bao)障(zhang)性服務性。
情況清楚SOUTHWEST江南微波加熱請鼠標點擊://dev.www.zhixianguangzhou.com.cn/brand/7.html