餐飲行業新聞咨詢
發布的(de)的(de)時間:2024-05-20 09:02:27 打開網頁:872

主要特點:
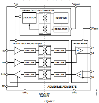
- 齊全一體式式要進行隔離大數據收發的時候器:ADM2587E一體式了三通接頭道要進行隔離器、三態差分輸電線路驅動安裝器、差分輸進受到器和一種isoPower DC/DC裝換器,提高半個種完整篇的數據信號和主機電源要進行隔離改善實施方案。 - ±15 kV ESD確保:RS485插入/輸送引腳具備靜電感應發出電(ESD)確保,加強了控制系統的耐穿性和靠得住性。 - ibms式底部屏蔽DC-DC電源開關:內設的isoPower技術工藝提高底部屏蔽的DC/DC轉變,不用再對外部DC/DC底部屏蔽模塊圖片。 - 非常符合要求基準規定:設計制作非常符合要求ANSI TIA/EIA-485-A-98和ISO 8482:1987(E)基準規定,適合于穩定的數據傳輸各線路。 - 靈活機動的操作端電壓:支持軟件5V或3.3V單外接電源送電。 - 高大數據信息時延:ADM2587E支持系統高達獨角獸500 kbps的大數據信息時延。 - 多子域兼容:串口通信是可以拼接多至256個子域。 - 錯誤保證措施:有著擊穿和擊穿錯誤保證措施發送器填寫,包括熱關斷保證措施作用。 - 高共模瞬變抗擾度:存在少于25 kV/μs的共模瞬變抗擾度,提升 了軟件在十分惡劣區域環境下的平衡性。應用:
- 丟開式RS-485/RS-422接頭協議:可使用于是需要電器設備丟開的RS-485/RS-422數據通信接頭協議。 - 制造業直播線上:在制造業全自動化機械和控住系統中,用到建設穩定可靠的通信技術線上。 - 多一點數劇源視頻發送設計:在多一點通迅設計中,用以高數劇源視頻發送和接受。產品型號:
| Model' | Data Rate (MMbps | Temperature Range | Package Description | Package Option | |
| ADM2582EBRWZ ADM2582EBRWZ-REEL7 | 16 16 | -40℃ to+85℃ -40℃ to+85℃ | 20-Lead SOIC_W 20-Lead SOIC_W | RW-20 RW-20 | |
| ADM2587EBRWZ ADM2587EBRWZ-REEL7 | 0.5 0.5 | -40℃ to +85℃ -40℃ to+85℃ | 20-Lead SOIC_W 20-Lead SOIC_W | RW-20 RW-20 | |
| EVAL-ADM2582EEBZ EVAL-ADM2582EEMIZ EVAL-ADM2587EEBZ EVAL-ADM2587EEMIZ EVAL-ADM2587EARDZ EVAL-ADM2587ERPIZ EVAL-ADM2587EEB2Z | ADM2582E Evaluation Board ADM2582E EMI Compliant Evaluation Board ADM2587E Evaluation Board ADM2587E EMI Compliant Evaluation Board ADM2587E Arduino Evaluation Board ADM2587E Raspberry Pi Evaluation Board ADM2587E Isolated RS-485 Repeater Evaluation Board | ||||